DEHNcharge

• Prewired Type 1 + Type 2 combined arrester for large DC battery storage
• Tried and tested fault-resistant Y circuit
• Space-saving enclosure designed for up to 1,500 V DC with a width of four standard DIN modules
• Application-optimised voltage protection level of ≤ 3 kV
• Can be used up to a max. prospective short-circuit current of 100 kA
• Operating state/fault indication with green-red marking in the inspection window

1 Product

Part No. 900095 DCG T1 BATT 1500 FM

GTIN 4013364510838, Customs tariff No. (EU): 85354000, Gross weight: 587.00 g, PU: 1.00 pc(s)


Images

Additional information

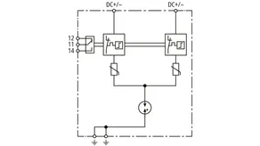
Combined arrester DEHNcharge T1 BATT 1500 FM
Multipole combined arrester Type 1 + Type 2
for battery storage systems up to 1,500 V DC, width of 4 standard DIN modules
Type 1+ Type 2 arrester based on EN 61643-11
Combined disconnection and short-circuiting device
with remote signalling contact
Fault indication
Maximum PV voltage: <= 1,500 V DC
Total discharge current: 5 kA
Voltage protection level: <= 3 kV
Short-circuit strength Iscpv: 100 kA

Brand: DEHN
Type: DCG T1 BATT 1500 FM
Part No.: 900095
or equivalent.

Certificates

 

Technical data

SPD based on IEC 61643-11 type 1 + type 2 / class I + class II
Max. continuous operating voltage DC [DC+/DC-] (UC ) ≤ 1500 V
Max. continuous operating voltage (DC) [(DC+/DC-) --> PE] (UC ) ≤ 750 V
Short-circuit withstand capability (t ≤ 5.83 ms) (ISCCR ) 100 kA
Total discharge current (10/350 µs) [DC+/DC- -> PE] (Itotal ) 10 kA
Lightning impulse current (10/350 µs) [DC+ -> PE/DC- -> PE] (Iimp ) 5 kA
Voltage protection level [(DC+/DC-) -> PE] (UP ) < 3 kV
Voltage protection level [DC+ -> DC-] (UP ) < 6 kV
Type of remote signalling contact Changeover contact

Product 900095 was added to Notepad.

Product 900095 was added to the cart.


back to top