BLITZDUCTOR XT – Protection Modules
:quality(98)/www.dehn.in/store/f/63093912/HDVORSCHAU/920324a1_16-9.jpg)
:quality(98)/www.dehn.in/store/f/63093912/HDVORSCHAU/920324a1_16-9.jpg)
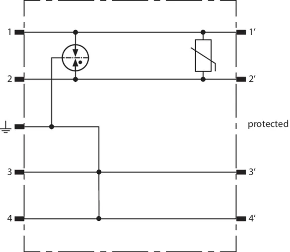
- Maximum discharge capacity for two-pole, three-pole or four-pole interfaces
- Capable of carrying lightning currents up to 10 kA (10/350 µs)
- Low voltage protection level, capable of protecting terminal equipment
- Arrester testing during operation
- Detection of pre-damaged arresters
- High signal availability thanks to preventive replacement of arresters
- Vibration and shock-tested for safe operation
- All protection components integrated in the protection module
- Two universal base parts with / without signal disconnection
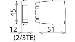
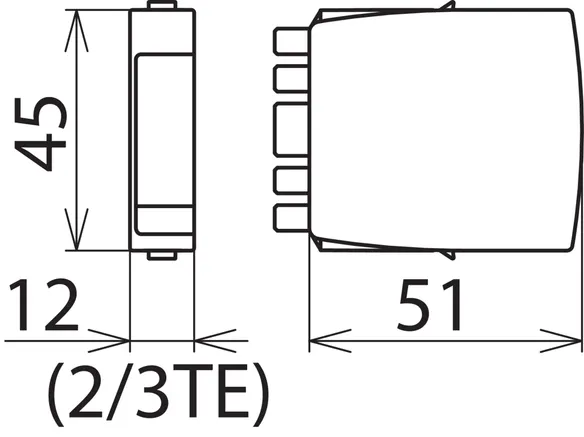
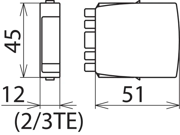
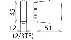
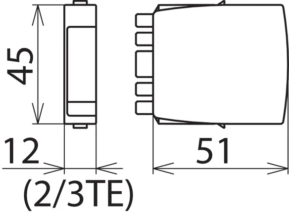
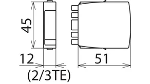
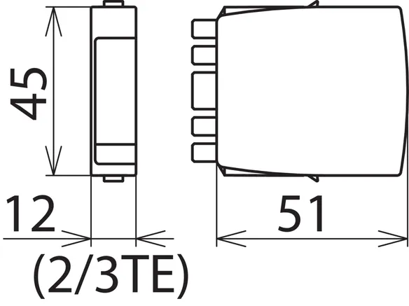
- Minimum space requirements, 4 single lines or 2 pairs over a width of 12 mm
Details
:quality(98)/www.dehn.in/store/f/63093913/HDVORSCHAU/920224_920300a1_Kat.jpg)
:quality(98)/www.dehn.in/store/f/63093913/HDVORSCHAU/920224_920300a1_Kat.jpg)
:quality(98)/www.dehn.in/store/f/63093916/HDVORSCHAU/920395a2_Kat.jpg)
:quality(98)/www.dehn.in/store/f/63093916/HDVORSCHAU/920395a2_Kat.jpg)
:quality(98)/www.dehn.in/store/f/63093914/HDVORSCHAU/920349_920300a2_Kat.jpg)
:quality(98)/www.dehn.in/store/f/63093914/HDVORSCHAU/920349_920300a2_Kat.jpg)
:quality(98)/www.dehn.in/store/f/63093915/HDVORSCHAU/920224_920300_Detail_3.jpg)
:quality(98)/www.dehn.in/store/f/63093915/HDVORSCHAU/920224_920300_Detail_3.jpg)
BXT ML4 B 180
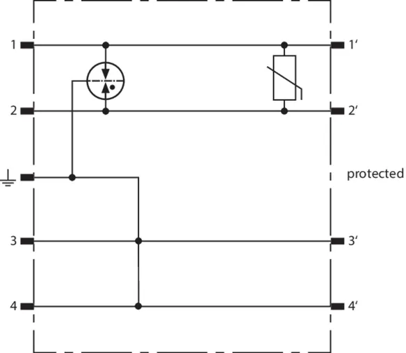
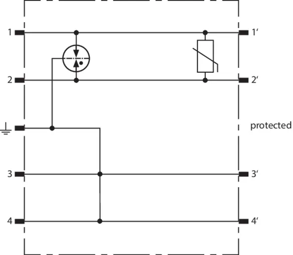
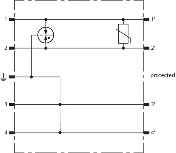
Space-savings four-pole lightning current arrester module with RFID LifeCheck feature for almost all applications. For use in connection with downstream Q surge arresters or combined lightning current and surge arresters with a lower or equal voltage level. If LifeCheck detects thermal or electrical overload, the arrester has to be replaced. This status is indicated contactlessly by the DEHNrecord LC / SCM / MCM reader.
1 Product
Part No. 920310 BXT ML4 B 180
GTIN 4013364109124, Customs tariff No. (EU): 85363010, Gross weight: 31.60 g, PU: 1.00 pc(s)
PredecessorTechnical data
SPD class | H |
Max. continuous operating voltage (d.c.) (UC ) | 180 V |
Nominal current at 45 °C (IL ) | 1.2 A |
D1 Total lightning impulse current (10/350 µs) (Iimp ) | 10 kA |
C2 Total nominal discharge current (8/20 µs) (In ) | 20 kA |
Series resistance per line | 0.4 ohm(s) |
Approvals | CSA, ATEX, IECEx, CSA & USA Hazloc, SIL |
*) For more detailed information, please visit www.dehn-international.com. |
BXT ML4 BE 5 – BE 180
Space-saving combined lightning current and surge arrester module with RFID LifeCheck for protecting four single lines sharing a common reference potential as well as unbalanced interfaces. If LifeCheck detects thermal or electrical overload, the arrester has to be replaced. This status is indicated contactlessly by the DEHNrecord LC / SCM / MCM reader.
7 Products
Part No. 920320 BXT ML4 BE 5
GTIN 4013364109032, Customs tariff No. (EU): 85363010, Gross weight: 31.00 g, PU: 1.00 pc(s)
PredecessorTechnical data
SPD class | M |
Max. continuous operating voltage (d.c.) (UC ) | 6 V |
Nominal current at 45 °C (IL ) | 1.0 A |
D1 Total lightning impulse current (10/350 µs) (Iimp ) | 10 kA |
C2 Total nominal discharge current (8/20 µs) (In ) | 20 kA |
Series resistance per line | 1.0 ohm(s) |
Cut-off frequency line-PG (fG ) | 1.0 MHz |
Approvals | CSA, UL 497B, ATEX, IECEx, CSA & USA Hazloc, SIL |
*) For more detailed information, please visit www.dehn-international.com. |
Part No. 920322 BXT ML4 BE 12
GTIN 4013364109049, Customs tariff No. (EU): 85363010, Gross weight: 30.70 g, PU: 1.00 pc(s)
PredecessorTechnical data
SPD class | M |
Max. continuous operating voltage (d.c.) (UC ) | 15 V |
Nominal current at 45 °C (IL ) | 0.75 A |
D1 Total lightning impulse current (10/350 µs) (Iimp ) | 10 kA |
C2 Total nominal discharge current (8/20 µs) (In ) | 20 kA |
Series resistance per line | 1.8 ohm(s) |
Cut-off frequency line-PG (fG ) | 2.7 MHz |
Approvals | CSA, UL 497B, ATEX, IECEx, CSA & USA Hazloc, SIL |
*) For more detailed information, please visit www.dehn-international.com. |
Part No. 920324 BXT ML4 BE 24
GTIN 4013364109056, Customs tariff No. (EU): 85363010, Gross weight: 45.00 g, PU: 1.00 pc(s)
PredecessorTechnical data
SPD class | M |
Max. continuous operating voltage (d.c.) (UC ) | 33 V |
Nominal current at 45 °C (IL ) | 0.75 A |
D1 Total lightning impulse current (10/350 µs) (Iimp ) | 10 kA |
C2 Total nominal discharge current (8/20 µs) (In ) | 20 kA |
Series resistance per line | 1.8 ohm(s) |
Cut-off frequency line-PG (fG ) | 6.8 MHz |
Approvals | CSA, UL 497B, ATEX, IECEx, CCC, CSA & USA Hazloc, SIL |
*) For more detailed information, please visit www.dehn-international.com. |
Part No. 920336 BXT ML4 BE 36
GTIN 4013364118539, Customs tariff No. (EU): 85363010, Gross weight: 47.50 g, PU: 1.00 pc(s)
Technical data
SPD class | M |
Max. continuous operating voltage (d.c.) (UC ) | 45 V |
Nominal current at 45 °C (IL ) | 1.8 A |
D1 Total lightning impulse current (10/350 µs) (Iimp ) | 10 kA |
C2 Total nominal discharge current (8/20 µs) (In ) | 20 kA |
Series resistance per line | 0.43 ohm(s) |
Cut-off frequency line-PG (fG ) | 3.8 MHz |
Approvals | UL 497B, ATEX, IECEx, CSA & USA Hazloc, SIL |
*) For more detailed information, please visit www.dehn-international.com. |
Part No. 920325 BXT ML4 BE 48
GTIN 4013364109063, Customs tariff No. (EU): 85363010, Gross weight: 31.20 g, PU: 1.00 pc(s)
PredecessorTechnical data
SPD class | M |
Max. continuous operating voltage (d.c.) (UC ) | 54 V |
Nominal current at 45 °C (IL ) | 0.75 A |
D1 Total lightning impulse current (10/350 µs) (Iimp ) | 10 kA |
C2 Total nominal discharge current (8/20 µs) (In ) | 20 kA |
Series resistance per line | 1.8 ohm(s) |
Cut-off frequency line-PG (fG ) | 8.7 MHz |
Approvals | CSA, UL 497B, ATEX, IECEx, CSA & USA Hazloc, SIL |
*) For more detailed information, please visit www.dehn-international.com. |
Part No. 920326 BXT ML4 BE 60
GTIN 4013364109070, Customs tariff No. (EU): 85363010, Gross weight: 31.00 g, PU: 1.00 pc(s)
PredecessorTechnical data
SPD class | M |
Max. continuous operating voltage (d.c.) (UC ) | 70 V |
Nominal current at 45 °C (IL ) | 1.0 A |
D1 Total lightning impulse current (10/350 µs) (Iimp ) | 10 kA |
C2 Total nominal discharge current (8/20 µs) (In ) | 20 kA |
Series resistance per line | 1.0 ohm(s) |
Cut-off frequency line-PG (fG ) | 9.0 MHz |
Approvals | CSA, UL 497B, ATEX, IECEx, CSA & USA Hazloc, SIL |
*) For more detailed information, please visit www.dehn-international.com. |
Part No. 920327 BXT ML4 BE 180
GTIN 4013364109087, Customs tariff No. (EU): 85363010, Gross weight: 31.30 g, PU: 1.00 pc(s)
PredecessorTechnical data
SPD class | L |
Max. continuous operating voltage (d.c.) (UC ) | 180 V |
Nominal current at 45 °C (IL ) | 1.0 A |
D1 Total lightning impulse current (10/350 µs) (Iimp ) | 10 kA |
C2 Total nominal discharge current (8/20 µs) (In ) | 20 kA |
Series resistance per line | 1.0 ohm(s) |
Cut-off frequency line-PG (fG ) | 25.0 MHz |
Approvals | CSA, UL 497B, ATEX, IECEx, CSA & USA Hazloc, SIL |
*) For more detailed information, please visit www.dehn-international.com. |
BXT ML4 BD 5 – BD 180
Space-saving combined lightning current and surge arrester module with RFID LifeCheck for protecting two pairs of unearthed balanced interfaces. If LifeCheck detects thermal or electrical overload, the arrester has to be replaced. This status is indicated contactlessly by the DEHNrecord LC / SCM / MCM reader.
6 Products
Part No. 920340 BXT ML4 BD 5
GTIN 4013364108967, Customs tariff No. (EU): 85363010, Gross weight: 30.10 g, PU: 1.00 pc(s)
PredecessorTechnical data
SPD class | M |
Max. continuous operating voltage (d.c.) (UC ) | 6.0 V |
Nominal current at 45 °C (IL ) | 1.0 A |
D1 Total lightning impulse current (10/350 µs) (Iimp ) | 10 kA |
C2 Total nominal discharge current (8/20 µs) (In ) | 20 kA |
Series resistance per line | 1.0 ohm(s) |
Cut-off frequency line-line (fG ) | 1.0 MHz |
Approvals | CSA, UL 497B, ATEX, IECEx, CSA & USA Hazloc, SIL |
*) For more detailed information, please visit www.dehn-international.com. |
Part No. 920342 BXT ML4 BD 12
GTIN 4013364108974, Customs tariff No. (EU): 85363010, Gross weight: 30.30 g, PU: 1.00 pc(s)
PredecessorTechnical data
SPD class | M |
Max. continuous operating voltage (d.c.) (UC ) | 15 V |
Nominal current at 45 °C (IL ) | 1.0 A |
D1 Total lightning impulse current (10/350 µs) (Iimp ) | 10 kA |
C2 Total nominal discharge current (8/20 µs) (In ) | 20 kA |
Series resistance per line | 1.0 ohm(s) |
Cut-off frequency line-line (fG ) | 2.8 MHz |
Approvals | CSA, UL 497B, ATEX, IECEx, CSA & USA Hazloc, SIL |
*) For more detailed information, please visit www.dehn-international.com. |
Part No. 920344 BXT ML4 BD 24
GTIN 4013364108981, Customs tariff No. (EU): 85363010, Gross weight: 45.30 g, PU: 1.00 pc(s)
PredecessorTechnical data
SPD class | M |
Max. continuous operating voltage (d.c.) (UC ) | 33 V |
Nominal current at 45 °C (IL ) | 1.0 A |
D1 Total lightning impulse current (10/350 µs) (Iimp ) | 10 kA |
C2 Total nominal discharge current (8/20 µs) (In ) | 20 kA |
Series resistance per line | 1.0 ohm(s) |
Cut-off frequency line-line (fG ) | 7.8 MHz |
Approvals | CSA, UL 497B, ATEX, IECEx, CCC, CSA & USA Hazloc, SIL |
*) For more detailed information, please visit www.dehn-international.com. |
Part No. 920345 BXT ML4 BD 48
GTIN 4013364108998, Customs tariff No. (EU): 85363010, Gross weight: 30.50 g, PU: 1.00 pc(s)
PredecessorTechnical data
SPD class | M |
Max. continuous operating voltage (d.c.) (UC ) | 54 V |
Nominal current at 45 °C (IL ) | 1.0 A |
D1 Total lightning impulse current (10/350 µs) (Iimp ) | 10 kA |
C2 Total nominal discharge current (8/20 µs) (In ) | 20 kA |
Series resistance per line | 1.0 ohm(s) |
Cut-off frequency line-line (fG ) | 8.7 MHz |
Approvals | CSA, UL 497B, ATEX, IECEx, CSA & USA Hazloc, SIL |
*) For more detailed information, please visit www.dehn-international.com. |
Part No. 920346 BXT ML4 BD 60
GTIN 4013364109001, Customs tariff No. (EU): 85363010, Gross weight: 30.70 g, PU: 1.00 pc(s)
PredecessorTechnical data
SPD class | M |
Max. continuous operating voltage (d.c.) (UC ) | 70 V |
Nominal current at 45 °C (IL ) | 1.0 A |
D1 Total lightning impulse current (10/350 µs) (Iimp ) | 10 kA |
C2 Total nominal discharge current (8/20 µs) (In ) | 20 kA |
Series resistance per line | 1.0 ohm(s) |
Cut-off frequency line-line (fG ) | 11.0 MHz |
Approvals | CSA, UL 497B, ATEX, IECEx, CSA & USA Hazloc, SIL |
*) For more detailed information, please visit www.dehn-international.com. |
Part No. 920347 BXT ML4 BD 180
GTIN 4013364109018, Customs tariff No. (EU): 85363010, Gross weight: 30.50 g, PU: 1.00 pc(s)
PredecessorTechnical data
SPD class | L |
Max. continuous operating voltage (d.c.) (UC ) | 180 V |
Nominal current at 45 °C (IL ) | 0.75 A |
D1 Total lightning impulse current (10/350 µs) (Iimp ) | 10 kA |
C2 Total nominal discharge current (8/20 µs) (In ) | 20 kA |
Series resistance per line | 1.8 ohm(s) |
Cut-off frequency line-line (fG ) | 25.0 MHz |
Approvals | CSA, UL 497B, ATEX, IECEx, CSA & USA Hazloc, SIL |
*) For more detailed information, please visit www.dehn-international.com. |
BXT ML4 BPD 24
Space-saving combined arrester module with RFID LifeCheck for protecting two pairs in 24 V d.c. systems. Can also be used for systems with earthed negative poles. Integrated PTC resistors allow to reliably reset the arrester after the system circuit has been affected by short-circuit currents up to 40 A.
1 Product
Part No. 920314 BXT ML4 BPD 24
GTIN 4013364261396, Customs tariff No. (EU): 85363010, Gross weight: 39.66 g, PU: 1.00 pc(s)
Technical data
SPD class | M |
Max. continuous operating voltage (d.c.) (UC ) | 33 V |
Nominal current at 70 °C (IL ) | 0.1 A |
D1 Total lightning impulse current (10/350 µs) (Iimp ) | 10 kA |
C2 Total nominal discharge current (8/20 µs) (In ) | 20 kA |
Series resistance per line | typ. 10 ohm(s) |
Cut-off frequency line-line (fG ) | 4 MHz |
Approvals | SIL |
BXT ML4 BC 5 / 24
Space-saving combined lightning current and surge arrester module with RFID LifeCheck for protecting up to four unearthed single lines sharing a common reference potential. If LifeCheck detects thermal or electrical overload, the arrester has to be replaced. This status is indicated contactlessly by the DEHNrecord LC / SCM / MCM reader.
2 Products
Part No. 920350 BXT ML4 BC 5
GTIN 4013364109131, Customs tariff No. (EU): 85363010, Gross weight: 30.60 g, PU: 1.00 pc(s)
Technical data
SPD class | M |
Max. continuous operating voltage (d.c.) (UC ) | 6.0 V |
Nominal current at 45 °C (IL ) | 1.0 A |
D1 Total lightning impulse current (10/350 µs) (Iimp ) | 10 kA |
C2 Total nominal discharge current (8/20 µs) (In ) | 20 kA |
Series resistance per line | 1.0 ohm(s) |
Cut-off frequency line-line (fG ) | 1.0 MHz |
Approvals | CSA, ATEX, IECEx, CSA & USA Hazloc, SIL |
*) For more detailed information, please visit www.dehn-international.com. |
Part No. 920354 BXT ML4 BC 24
GTIN 4013364109148, Customs tariff No. (EU): 85363010, Gross weight: 30.90 g, PU: 1.00 pc(s)
Technical data
SPD class | M |
Max. continuous operating voltage (d.c.) (UC ) | 33 V |
Nominal current at 45 °C (IL ) | 0.75 A |
D1 Total lightning impulse current (10/350 µs) (Iimp ) | 10 kA |
C2 Total nominal discharge current (8/20 µs) (In ) | 20 kA |
Series resistance per line | 1.8 ohm(s) |
Cut-off frequency line-line (fG ) | 5.7 MHz |
Approvals | CSA, ATEX, IECEx, CSA & USA Hazloc, SIL |
*) For more detailed information, please visit www.dehn-international.com. |
BXT ML4 BE C 12 / 24
Space-saving combined lightning current and surge arrester module with RFID LifeCheck for protecting two pairs of balanced interfaces with diode protective circuit at the input, current loops (TTY) and optocoupler inputs. If LifeCheck detects thermal or electrical overload, the arrester has to be replaced. This status is indicated contactlessly by the DEHNrecord LC / SCM / MCM reader.
2 Products
Part No. 920362 BXT ML4 BE C 12
GTIN 4013364120587, Customs tariff No. (EU): 85363010, Gross weight: 31.20 g, PU: 1.00 pc(s)
PredecessorTechnical data
SPD class | M |
Max. continuous operating voltage (d.c.) (UC ) | 15 V |
Nominal current at 80 °C (IL ) | 0.1 A |
D1 Total lightning impulse current (10/350 µs) (Iimp ) | 10 kA |
C2 Total nominal discharge current (8/20 µs) (In ) | 20 kA |
Series resistance per line | 13.8 ohm(s) |
Cut-off frequency line-PG (fG ) | 0.85 MHz |
Approvals | ATEX, IECEx, CSA & USA Hazloc, SIL |
*) For more detailed information, please visit www.dehn-international.com. |
Part No. 920364 BXT ML4 BE C 24
GTIN 4013364109155, Customs tariff No. (EU): 85363010, Gross weight: 31.70 g, PU: 1.00 pc(s)
PredecessorTechnical data
SPD class | M |
Max. continuous operating voltage (d.c.) (UC ) | 33 V |
Nominal current at 80 °C (IL ) | 0.1 A |
D1 Total lightning impulse current (10/350 µs) (Iimp ) | 10 kA |
C2 Total nominal discharge current (8/20 µs) (In ) | 20 kA |
Series resistance per line | 28.8 ohm(s) |
Cut-off frequency line-PG (fG ) | 1.7 MHz |
Approvals | CSA, ATEX, IECEx, CSA & USA Hazloc, SIL |
*) For more detailed information, please visit www.dehn-international.com. |
BXT ML4 BE HF 5
Space-saving combined lightning current and surge arrester module with RFID LifeCheck for protecting four single lines sharing a common reference potential as well as high-frequency transmissions without galvanic isolation. If LifeCheck detects thermal or electrical overload, the arrester has to be replaced. This status is indicated contactlessly by the DEHNrecord LC / SCM / MCM reader.
1 Product
Part No. 920370 BXT ML4 BE HF 5
GTIN 4013364109117, Customs tariff No. (EU): 85363010, Gross weight: 31.00 g, PU: 1.00 pc(s)
PredecessorTechnical data
SPD class | M |
Max. continuous operating voltage (d.c.) (UC ) | 6.0 V |
Nominal current at 45 °C (IL ) | 1.0 A |
D1 Total lightning impulse current (10/350 µs) (Iimp ) | 10 kA |
C2 Total nominal discharge current (8/20 µs) (In ) | 20 kA |
Series resistance per line | 1.0 ohm(s) |
Cut-off frequency line-PG (fG ) | 100.0 MHz |
Approvals | CSA, UL 497B, ATEX, IECEx, CCC, CSA & USA Hazloc, SIL |
*) For more detailed information, please visit www.dehn-international.com. |
BXT ML4 BD HF 5 / 24
Space-saving combined lightning current and surge arrester module with RFID LifeCheck for protecting two pairs of unearthed high-frequency bus systems or two-wire video transmission systems. If LifeCheck detects thermal or electrical overload, the arrester has to be replaced. This status is indicated contactlessly by the DEHNrecord LC / SCM / MCM reader.
2 Products
Part No. 920371 BXT ML4 BD HF 5
GTIN 4013364109094, Customs tariff No. (EU): 85363010, Gross weight: 30.80 g, PU: 1.00 pc(s)
PredecessorTechnical data
SPD class | M |
Max. continuous operating voltage (d.c.) (UC ) | 6.0 V |
Nominal current at 45 °C (IL ) | 1.0 A |
D1 Total lightning impulse current (10/350 µs) (Iimp ) | 10 kA |
C2 Total nominal discharge current (8/20 µs) (In ) | 20 kA |
Series resistance per line | 1.0 ohm(s) |
Cut-off frequency line-line (fG ) | 100.0 MHz |
Approvals | CSA, UL 497B, ATEX, IECEx, CCC, CSA & USA Hazloc, SIL |
*) For more detailed information, please visit www.dehn-international.com. |
Part No. 920375 BXT ML4 BD HF 24
GTIN 4013364109100, Customs tariff No. (EU): 85363010, Gross weight: 31.00 g, PU: 1.00 pc(s)
PredecessorTechnical data
SPD class | M |
Max. continuous operating voltage (d.c.) (UC ) | 33 V |
Nominal current at 45 °C (IL ) | 1.0 A |
D1 Total lightning impulse current (10/350 µs) (Iimp ) | 10 kA |
C2 Total nominal discharge current (8/20 µs) (In ) | 20 kA |
Series resistance per line | 1.0 ohm(s) |
Cut-off frequency line-line (fG ) | 100.0 MHz |
Approvals | CSA, UL 497B, ATEX, IECEx, CSA & USA Hazloc, SIL |
*) For more detailed information, please visit www.dehn-international.com. |
BXT ML4 MY 110 / 250
Space-saving surge arrester module with RFID LifeCheck for protecting four lines of stranded signal interfaces. If LifeCheck detects thermal or electrical overload, the arrester has to be replaced. This status is indicated contactlessly by the DEHNrecord LC / SCM / MCM reader.
2 Products
Part No. 920388 BXT ML4 MY 110
GTIN 4013364137370, Customs tariff No. (EU): 85363010, Gross weight: 34.70 g, PU: 1.00 pc(s)
Technical data
SPD class | U |
Max. continuous operating voltage (d.c.) line-line (UC ) | 170 V |
Max. continuous operating voltage (d.c.) line-PG (UC ) | 85 V |
Nominal current at 80 °C (IL ) | 3.0 A |
C2 Total nominal discharge current (8/20 µs) (In ) | 10 kA |
Cut-off frequency line-line (fG ) | 4.5 MHz |
Approvals | SIL |
*) For more detailed information, please visit www.dehn-international.com. |
Part No. 920389 BXT ML4 MY 250
GTIN 4013364118447, Customs tariff No. (EU): 85363010, Gross weight: 36.70 g, PU: 1.00 pc(s)
PredecessorTechnical data
SPD class | V |
Max. continuous operating voltage (d.c.) line-line (UC ) | 620 V |
Max. continuous operating voltage (d.c.) line-PG (UC ) | 320 V |
Nominal current at 80 °C (IL ) | 3.0 A |
C2 Total nominal discharge current (8/20 µs) (In ) | 10 kA |
Cut-off frequency line-line (fG ) | 20.0 MHz |
Approvals | SIL |
*) For more detailed information, please visit www.dehn-international.com. |
BXT ML4 BE BD 24
Space-saving surge arrester module with RFID LifeCheck for protecting two single lines with common reference potential as well as unbalanced interfaces and one pair of unearthed balanced interfaces. LifeCheck detects thermal or electrical overload after which the arrester has to be replaced. The status is indicated contactlessly by DEHNrecord LC / MCM.
1 Product
Part No. 920334 BXT ML4 BE BD 24
GTIN 4013364152229, Customs tariff No. (EU): 85363010, Gross weight: 29.59 g, PU: 1.00 pc(s)
Technical data
SPD class | M |
Max. continuous operating voltage (d.c.) (UC ) | 33 V |
Nominal current at 45 °C (IL ) | 0.75 A |
D1 Total lightning impulse current (10/350 µs) (Iimp ) | 10 kA |
C2 Total nominal discharge current (8/20 µs) (In ) | 20 kA |
BXT ML2 BD 180
Space-saving combined arrester module with RFID LifeCheck for protecting 1 pair of unearthed symmetrical interfaces. If LifeCheck detects thermal and electrical overloads after which the arrester has to be replaced. This status is indicated contactlessly by DEHNrecord LC / SCM / MCM.
1 Product
Part No. 920247 BXT ML2 BD 180
GTIN 4013364116078, Customs tariff No. (EU): 85363010, Gross weight: 49.60 g, PU: 1.00 pc(s)
PredecessorTechnical data
SPD class | L |
Max. continuous operating voltage (d.c.) (UC ) | 180 V |
Nominal current at 45 °C (IL ) | 0.75 A |
D1 Total lightning impulse current (10/350 µs) (Iimp ) | 5 kA |
C2 Total nominal discharge current (8/20 µs) (In ) | 20 kA |
Series resistance per line | 1.8 ohm(s) |
Cut-off frequency line-line (fG ) | 25.0 MHz |
Approvals | CSA, ATEX, IECEx, CSA & USA Hazloc, SIL |
*) For more detailed information, please visit www.dehn-international.com. |
BXT ML2 BD S 5 – BD S 48
Space-saving combined arrester module with RFID LifeCheck for protecting 1 pair of unearthed symmetrical interfaces, either direct or indirect shield earthing If LifeCheck detects thermal and electrical overloads after which the arrester has to be replaced. This status is indicated contactlessly by DEHNrecord LC / SCM / MCM.
4 Products
Part No. 920240 BXT ML2 BD S 5
GTIN 4013364118348, Customs tariff No. (EU): 85363010, Gross weight: 27.50 g, PU: 1.00 pc(s)
PredecessorTechnical data
SPD class | M |
Max. continuous operating voltage (d.c.) (UC ) | 6.0 V |
Nominal current at 45 °C (IL ) | 1.0 A |
D1 Total lightning impulse current (10/350 µs) (Iimp ) | 9 kA |
C2 Total nominal discharge current (8/20 µs) (In ) | 20 kA |
Series resistance per line | 1.0 ohm(s) |
Cut-off frequency line-line (fG ) | 1.0 MHz |
Approvals | CSA, ATEX, IECEx, CSA & USA Hazloc, SIL |
*) For more detailed information, please visit www.dehn-international.com. |
Part No. 920242 BXT ML2 BD S 12
GTIN 4013364118362, Customs tariff No. (EU): 85363010, Gross weight: 27.60 g, PU: 1.00 pc(s)
PredecessorTechnical data
SPD class | M |
Max. continuous operating voltage (d.c.) (UC ) | 15 V |
Nominal current at 45 °C (IL ) | 1.0 A |
D1 Total lightning impulse current (10/350 µs) (Iimp ) | 9 kA |
C2 Total nominal discharge current (8/20 µs) (In ) | 20 kA |
Series resistance per line | 1.0 ohm(s) |
Cut-off frequency line-line (fG ) | 2.8 MHz |
Approvals | CSA, ATEX, IECEx, CSA & USA Hazloc, SIL |
*) For more detailed information, please visit www.dehn-international.com. |
Part No. 920244 BXT ML2 BD S 24
GTIN 4013364117792, Customs tariff No. (EU): 85363010, Gross weight: 27.80 g, PU: 1.00 pc(s)
PredecessorTechnical data
SPD class | M |
Max. continuous operating voltage (d.c.) (UC ) | 33 V |
Nominal current at 45 °C (IL ) | 1.0 A |
D1 Total lightning impulse current (10/350 µs) (Iimp ) | 9 kA |
C2 Total nominal discharge current (8/20 µs) (In ) | 20 kA |
Series resistance per line | 1.0 ohm(s) |
Cut-off frequency line-line (fG ) | 7.8 MHz |
Approvals | CSA, ATEX, IECEx, CCC, CSA & USA Hazloc, SIL |
*) For more detailed information, please visit www.dehn-international.com. |
Part No. 920245 BXT ML2 BD S 48
GTIN 4013364118386, Customs tariff No. (EU): 85363010, Gross weight: 43.20 g, PU: 1.00 pc(s)
PredecessorTechnical data
SPD class | M |
Max. continuous operating voltage (d.c.) (UC ) | 54 V |
Nominal current at 45 °C (IL ) | 1.0 A |
D1 Total lightning impulse current (10/350 µs) (Iimp ) | 9 kA |
C2 Total nominal discharge current (8/20 µs) (In ) | 20 kA |
Series resistance per line | 1.0 ohm(s) |
Cut-off frequency line-line (fG ) | 8.7 MHz |
Approvals | CSA, ATEX, IECEx, CSA & USA Hazloc, SIL |
*) For more detailed information, please visit www.dehn-international.com. |
BXT ML2 BE S 5 – BE S 48
Space-saving combined lightning current and surge arrester module with RFID LifeCheck for protecting two single lines sharing a common reference potential as well as unbalanced interfaces, with direct or indirect shield earthing. If LifeCheck detects thermal or electrical overload, the arrester has to be replaced. This status is indicated contactlessly by the DEHNrecord LC / SCM / MCM reader.
5 Products
Part No. 920220 BXT ML2 BE S 5
GTIN 4013364118331, Customs tariff No. (EU): 85363010, Gross weight: 43.40 g, PU: 1.00 pc(s)
PredecessorTechnical data
SPD class | M |
Max. continuous operating voltage (d.c.) (UC ) | 6.0 V |
Nominal current at 45 °C (IL ) | 1.0 A |
D1 Total lightning impulse current (10/350 µs) (Iimp ) | 9 kA |
C2 Total nominal discharge current (8/20 µs) (In ) | 20 kA |
Series resistance per line | 1.0 ohm(s) |
Cut-off frequency line-PG (fG ) | 1.0 MHz |
Approvals | CSA, ATEX, IECEx, CSA & USA Hazloc, SIL |
*) For more detailed information, please visit www.dehn-international.com. |
Part No. 920222 BXT ML2 BE S 12
GTIN 4013364118355, Customs tariff No. (EU): 85363010, Gross weight: 27.90 g, PU: 1.00 pc(s)
PredecessorTechnical data
SPD class | M |
Max. continuous operating voltage (d.c.) (UC ) | 15 V |
Nominal current at 45 °C (IL ) | 0.75 A |
D1 Total lightning impulse current (10/350 µs) (Iimp ) | 9 kA |
C2 Total nominal discharge current (8/20 µs) (In ) | 20 kA |
Series resistance per line | 1.8 ohm(s) |
Cut-off frequency line-PG (fG ) | 2.7 MHz |
Approvals | CSA, ATEX, IECEx, CCC, CSA & USA Hazloc, SIL |
*) For more detailed information, please visit www.dehn-international.com. |
Part No. 920224 BXT ML2 BE S 24
GTIN 4013364117785, Customs tariff No. (EU): 85363010, Gross weight: 44.00 g, PU: 1.00 pc(s)
PredecessorTechnical data
SPD class | M |
Max. continuous operating voltage (d.c.) (UC ) | 33 V |
Nominal current at 45 °C (IL ) | 0.75 A |
D1 Total lightning impulse current (10/350 µs) (Iimp ) | 9 kA |
C2 Total nominal discharge current (8/20 µs) (In ) | 20 kA |
Series resistance per line | 1.8 ohm(s) |
Cut-off frequency line-PG (fG ) | 6.8 MHz |
Approvals | CSA, ATEX, IECEx, CCC, CSA & USA Hazloc, SIL |
*) For more detailed information, please visit www.dehn-international.com. |
Part No. 920226 BXT ML2 BE S 36
GTIN 4013364142121, Customs tariff No. (EU): 85363010, Gross weight: 30.10 g, PU: 1.00 pc(s)
Technical data
SPD class | M |
Max. continuous operating voltage (d.c.) (UC ) | 45 V |
Nominal current at 45 °C (IL ) | 1.8 A |
D1 Total lightning impulse current (10/350 µs) (Iimp ) | 9 kA |
C2 Total nominal discharge current (8/20 µs) (In ) | 20 kA |
Series resistance per line | 0.43 ohm(s) |
Cut-off frequency line-PG (fG ) | 3.8 MHz |
Approvals | UL 497B, SIL |
*) For more detailed information, please visit www.dehn-international.com. |
Part No. 920225 BXT ML2 BE S 48
GTIN 4013364118379, Customs tariff No. (EU): 85363010, Gross weight: 27.60 g, PU: 1.00 pc(s)
PredecessorTechnical data
SPD class | M |
Max. continuous operating voltage (d.c.) (UC ) | 54 V |
Nominal current at 45 °C (IL ) | 0.75 A |
D1 Total lightning impulse current (10/350 µs) (Iimp ) | 9 kA |
C2 Total nominal discharge current (8/20 µs) (In ) | 20 kA |
Series resistance per line | 1.8 ohm(s) |
Cut-off frequency line-PG (fG ) | 8.7 MHz |
Approvals | CSA, UL 497B, ATEX, IECEx, CSA & USA Hazloc, SIL |
*) For more detailed information, please visit www.dehn-international.com. |
BXT ML2 BE HFS 5
Space-saving combined lightning current and surge arrester module with RFID LifeCheck for protecting one pair of high-frequency transmissions without galvanic isolation, with direct or indirect shield earthing. If LifeCheck detects thermal or electrical overload, the arrester has to be replaced. This status is indicated contactlessly by the DEHNrecord LC / SCM / MCM reader.
1 Product
Part No. 920270 BXT ML2 BE HFS 5
GTIN 4013364117549, Customs tariff No. (EU): 85363010, Gross weight: 28.60 g, PU: 1.00 pc(s)
PredecessorTechnical data
SPD class | M |
Max. continuous operating voltage (d.c.) (UC ) | 6.0 V |
Nominal current at 45 °C (IL ) | 1.0 A |
D1 Total lightning impulse current (10/350 µs) (Iimp ) | 9 kA |
C2 Total nominal discharge current (8/20 µs) (In ) | 20 kA |
Series resistance per line | 1.0 ohm(s) |
Cut-off frequency line-PG (fG ) | 100.0 MHz |
Approvals | CSA, UL 497B, ATEX, IECEx, CCC, CSA & USA Hazloc, SIL |
*) For more detailed information, please visit www.dehn-international.com. |
BXT ML2 BD HFS 5
Space-saving combined lightning current and surge arrester module with RFID LifeCheck for protecting one pair of unearthed high-frequency bus systems or video transmission systems, with direct or indirect shield earthing. If LifeCheck detects thermal or electrical overload, the arrester has to be replaced. This status is indicated contactlessly by the DEHNrecord LC / SCM / MCM reader.
1 Product
Part No. 920271 BXT ML2 BD HFS 5
GTIN 4013364117556, Customs tariff No. (EU): 85363010, Gross weight: 28.60 g, PU: 1.00 pc(s)
PredecessorTechnical data
SPD class | M |
Max. continuous operating voltage (d.c.) (UC ) | 6.0 V |
Nominal current at 45 °C (IL ) | 1.0 A |
D1 Total lightning impulse current (10/350 µs) (Iimp ) | 9 kA |
C2 Total nominal discharge current (8/20 µs) (In ) | 20 kA |
Series resistance per line | 1.0 ohm(s) |
Cut-off frequency line-line (fG ) | 100.0 MHz |
Approvals | CSA, UL 497B, ATEX, IECEx, CCC, CSA & USA Hazloc, SIL |
*) For more detailed information, please visit www.dehn-international.com. |
BXT ML2 B 180
Space-saving two-pole lightning current arrester module with RFID LifeCheck and shield earthing for almost all applications. For use in conjunction with downstream Q surge arresters or combined lightning current and surge arresters with a lower or equal voltage level. If LifeCheck detects thermal or electrical overload, the arrester has to be replaced. This status is indicated contactlessly by the DEHNrecord LC / SCM / MCM reader.
1 Product
Part No. 920211 BXT ML2 B 180
GTIN 4013364120570, Customs tariff No. (EU): 85363010, Gross weight: 30.40 g, PU: 1.00 pc(s)
PredecessorTechnical data
SPD class | H |
Max. continuous operating voltage (d.c.) (UC ) | 180 V |
Nominal current at 45 °C (IL ) | 1.2 A |
D1 Total lightning impulse current (10/350 µs) (Iimp ) | 10 kA |
C2 Total nominal discharge current (8/20 µs) (In ) | 20 kA |
Series resistance per line | 0.4 ohm(s) |
Approvals | CSA, ATEX, IECEx, CSA & USA Hazloc, SIL |
*) For more detailed information, please visit www.dehn-international.com. |
BXT ML2 BD DL S 15
Space-saving combined lightning current and surge arrester module with RFID LifeCheck for protecting one pair of unearthed balanced interfaces, which specifically fulfils the requirements of Dupline buses, direct or indirect shield earthing. If LifeCheck detects thermal or electrical overload, the arrester has to be replaced. This status is indicated contactlessly by the DEHNrecord LC / SCM / MCM reader.
1 Product
Part No. 920243 BXT ML2 BD DL S 15
GTIN 4013364126732, Customs tariff No. (EU): 85363010, Gross weight: 28.30 g, PU: 1.00 pc(s)
Technical data
SPD class | M |
Max. continuous operating voltage (d.c.) (UC ) | 17 V |
Nominal current at 70 °C (IL ) | 0.4 A |
D1 Total lightning impulse current (10/350 µs) (Iimp ) | 9 kA |
C2 Total nominal discharge current (8/20 µs) (In ) | 20 kA |
Series resistance per line | 2.2 ohm(s) |
Cut-off frequency line-line (fG ) | 2.7 MHz |
Approvals | ATEX, IECEx, CSA & USA Hazloc, SIL |
*) For more detailed information, please visit www.dehn-international.com. |
BXT ML2 MY 250
Space-saving surge arrester module with RFID LifeCheck for protecting two lines of stranded signal interfaces up to 250 V a.c. If LifeCheck detects thermal or electrical overload, the arrester has to be replaced. This status is indicated contactlessly by the DEHNrecord LC / SCM / MCM reader.
1 Product
Part No. 920289 BXT ML2 MY 250
GTIN 4013364135840, Customs tariff No. (EU): 85363010, Gross weight: 29.20 g, PU: 1.00 pc(s)
PredecessorTechnical data
SPD class | V |
Max. continuous operating voltage (d.c.) line-line (UC ) | 620 V |
Max. continuous operating voltage (d.c.) line-PG (UC ) | 320 V |
Nominal current at 80 °C (IL ) | 3.0 A |
C2 Total nominal discharge current (8/20 µs) (In ) | 5 kA |
Cut-off frequency line-line (fG ) | 20.0 MHz |
Approvals | SIL |
*) For more detailed information, please visit www.dehn-international.com. |
BXT ML2 MY E 110
Space-saving surge arrester module with RFID LifeCheck for protecting two pairs of stranded signal interfaces. If LifeCheck detects thermal or electrical overload, the arrester has to be replaced. This status is indicated contactlessly by the DEHNrecord LC / SCM / MCM reader.
1 Product
Part No. 920288 BXT ML2 MY E 110
GTIN 4013364137363, Customs tariff No. (EU): 85363010, Gross weight: 31.60 g, PU: 1.00 pc(s)
Technical data
SPD class | U |
Max. continuous operating voltage (d.c.) line-line (UC ) | 170 V |
Max. continuous operating voltage (d.c.) line-PG (UC ) | 85 V |
Nominal current at 80 °C (IL ) | 3.0 A |
C2 Total nominal discharge current (8/20 µs) (In ) | 5 kA |
Series resistance per line | 0 ohm(s) |
Cut-off frequency line-line (fG ) | 4.5 MHz |
Approvals | SIL |
*) For more detailed information, please visit www.dehn-international.com. |
BXT M2 BD HC5A 24
Space-saving combined lightning current and surge arrester module for protecting 1 pair of unearthed balanced interfaces. The module is adapted to interfaces with direct currents up to 5 A, e.g. for controlling motor-driven actuators with high starting and operating currents.
1 Product
Part No. 920296 BXT M2 BD HC5A 24
GTIN 4013364340015, Customs tariff No. (EU): 85363010, Gross weight: 28.00 g, PU: 1.00 pc(s)
Technical data
SPD class | M |
Max. continuous operating voltage (d.c.) (UC ) | 36 V |
Nominal current (IL ) | 5 A |
D1 Total lightning impulse current (10/350 µs) (Iimp ) | 5 kA |
C2 Total nominal discharge current (8/20 µs) (In ) | 20 kA |
Series resistance per line | 0 ohm(s) |
Cut-off frequency line-line (fG ) | 1.56 MHz |
Approvals | SIL |
*) For more detailed information, please visit www.dehn-international.com. |