Accessories for DEHNgate

Cable Lug with Earthing Cable

Cable lug with highly flexible black copper earthing cable for earthing DEHNgate arresters (Part No. 929 043, 929 044 or 929 045).

1 Product

Part No. 929096 EL 16 B17

GTIN 4013364107212, Customs tariff No. (EU): 85444991, Gross weight: 202.70 g, PU: 1.00 pc(s)


Images

Additional information

Cable lug with earthing cable for earthing DEHNgate EL 16 B17
Cable lug with hole diameter 17 mm2 and black
highly flexible copper earthing conductor 1 m long
for earthing DEHNgate


Brand: DEHN
Type: EL 16 B17
Part No.: 929096
or equivalent.

 

Technical data

Colour black ●
Length 1000 mm

Product 929096 was added to Notepad.

Product 929096 was added to the cart.


Earthing Block 4xF

Four-pole earthing block with F sockets for equipotential bonding of satellite cable shields or DGA GF TV lightning current arresters.

1 Product

Part No. 929095 EB 4 F

GTIN 4013364113398, Customs tariff No. (EU): 85389099, Gross weight: 90.00 g, PU: 1.00 pc(s)


Images

Additional information

EB 4 F earthing block 4xF
Four-pole earthing block with F-sockets at the input and output, for equipotential bonding of up to 4 satellite cable shields or DGA GF TV lightning current arresters.
Shielding: class A, 75 ohms
Max. continuous operating voltage (d.c.): 65 V
D1 Lightning impulse current (10/350 µs): 10 kA
Frequency range: 0-2400 MHz

Brand: DEHN
Type: EB 4 F
Part No.: 929095
or equivalent.

Certificates

 

Technical data

D1 Lightning impulse current (10/350 µs) 10 kA
Colour bare surface

Product 929095 was added to Notepad.

Product 929095 was added to the cart.


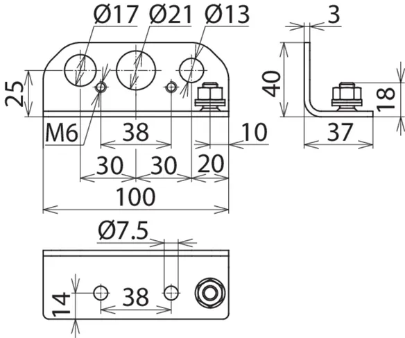
Fixing bracket for HF Arresters

With three mounting boreholes for three different sizes of DEHNgate arresters, e.g. 1x 929 042 + 1x 929 057 + 1x (929 043, 929 044, 929 045 or 929 059).

1 Product

Part No. 106329 BW90 B17 21 16 V2A

GTIN 4013364107182, Customs tariff No. (EU): 85389099, Gross weight: 152.63 g, PU: 1.00 pc(s)


Images

Additional information

Fixing bracket for DEHNgate
Stainless steel fixing bracket, 90° angle, with three boreholes for three different sizes of
DEHNgate, e.g. 1x 929 042 + 1x 929 057 + 1x (929 043,
929 044, 929 045 or 929 058).

Brand: DEHN
Type: BW90 B17 21 16 V2A
Part No.: 106329
or equivalent.

 

Technical data

Material stainless steel

Product 106329 was added to Notepad.

Product 106329 was added to the cart.


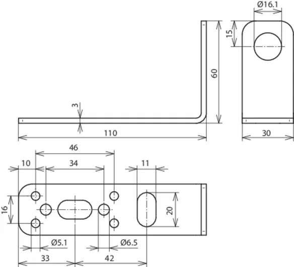
Fixing bracket for DEHNgate

Suitable for installating a DEHNgate arrester (Part Nos. 929 043 – 929 045), anti-rotation borehole (Ø16 mm).

1 Product

Part No. 106314 BW90 B16 B5.1 6.5 11 V2A

GTIN 4013364136304, Customs tariff No. (EU): 85389099, Gross weight: 100.00 g, PU: 1.00 pc(s)


Images

Additional information

Fixing bracket for mounting DEHNgate
Stainless steel fixing bracket, 90° angle, for the installation of DEHNgate, Part No. 929 043 - 929 045. Hole (16mm) with anti-rotation protection

Brand: DEHN
Type: BW90 B16 B5.1 6.5 11 V2A
Part No.: 106314
or equivalent.

 

Technical data

Material stainless steel

Product 106314 was added to Notepad.

Product 106314 was added to the cart.


back to top