Supporting Tubes for HVI power Conductor / HVI power long Conductor

Supporting tube with internal sealing end and EB spring element.

With air-termination tip

Supporting tube with internal sealing end and EB spring element.
Air-termination tip, Al/StSt, Ø10 mm, length 1000 mm.

4 Products

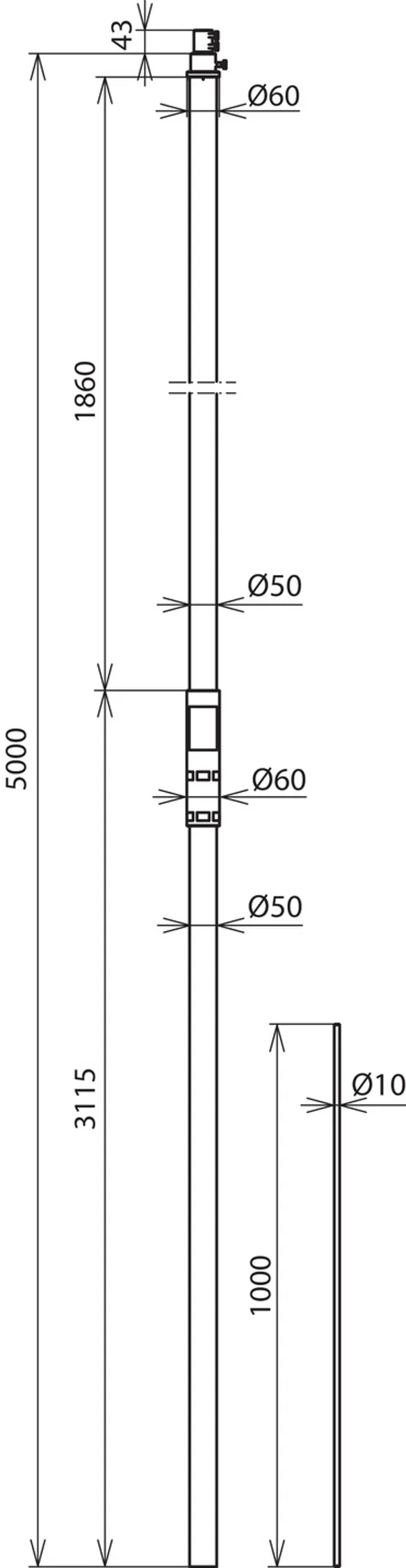
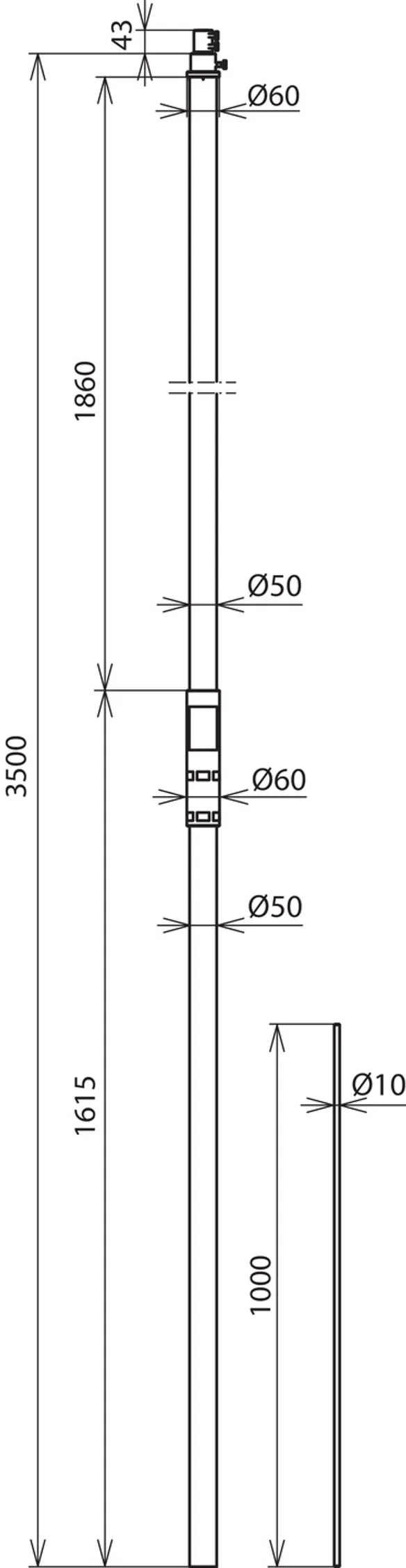
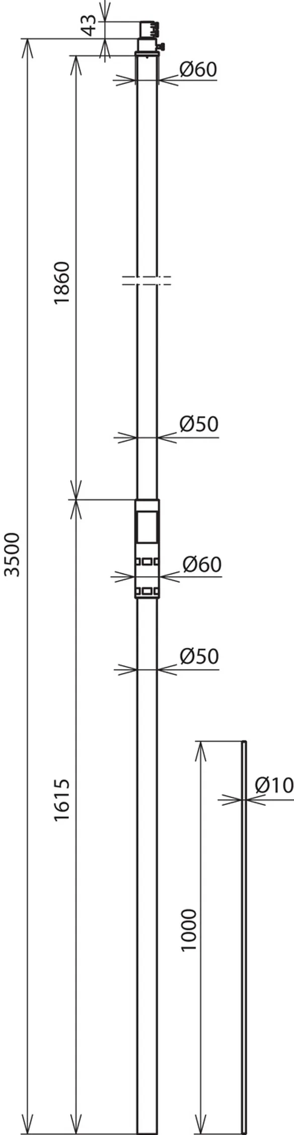
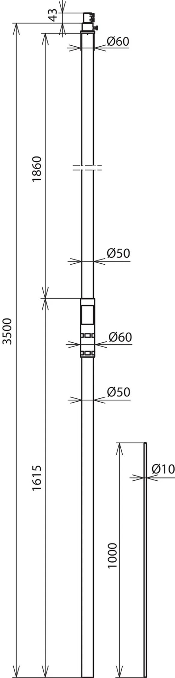
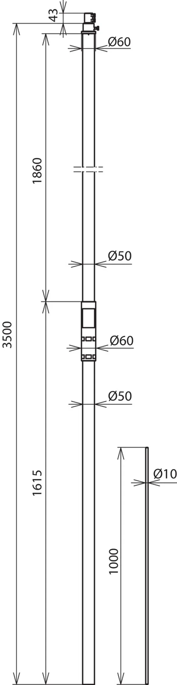
Part No. 105563 SR D50 3500 FSP1000 IA HVIP GFK AL

GTIN 4013364271937, Customs tariff No. (EU): 85389099, Gross weight: 5.70 kg, PU: 1.00 pc(s)


Images

Additional information

Supporting tube for HVI power Conductor with air-termation tip, 3500 mm long, GRP/Al
GRP/Al supporting tubes with internal sealing end and EB spring element for HVI power Conductors
for keeping the separation distance from conductive parts according to IEC/EN 62305-3
The supporting tubes are dimensioned according to Eurocode 1 (DIN EN 1991-1-4 + DIN EN 1991-1-4/NA)
Insulating clearance made of glass-fibre reinforced plastic (GRP)
Material factor km = 0.7
Light grey colour, UV-stabilised, one element
Combined with air-termination tip, Ø10 mm, length of 1000 mm, Al
Material of supporting tube: GRP / Al
Length of supporting tube: 3500 mm
Outside diameter Ø : 50 mm
Max. free length with air-termination tip (wall mounting): 3500 mm
Max. gust wind speed: (Max. free length 3,500 mm, 1x HVI power inside) 201 km/h
Max. gust wind speed: (Max. free length 3,500 mm, 1x HVI power outside) 190 km/h
Standard: DIN IEC/TS 62561-8 (VDE V 0185-561-8)

Brand: DEHN
Type: SR D50 3500 FSP1000 IA HVIP GFK AL
Part No.: 105563
or equivalent.

Certificates

 

Technical data

Material of supporting tube GRP / Al
Length of supporting tube 3500 mm
Outside diameter Ø 50 mm
Transport length 3500 mm
Length of insulating clearance 1800 mm
Suitable for installation outside the tube yes
Max. free length with air-termination tip (wall mounting) 3500 mm
Standard DIN IEC/TS 62561-8 (VDE V 0185-561-8)

Product 105563 was added to Notepad.

Product 105563 was added to the cart.

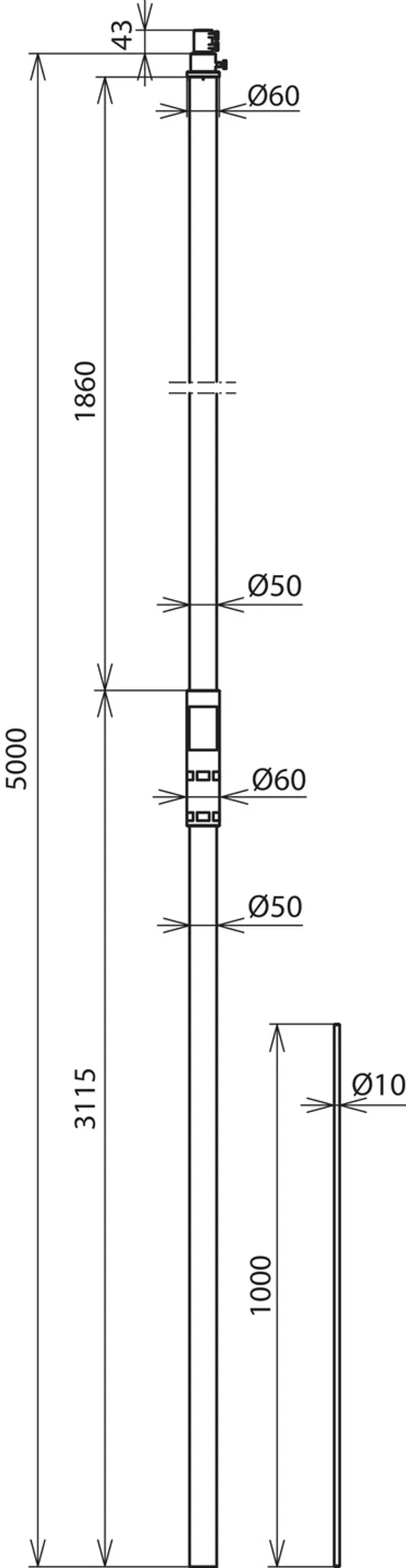
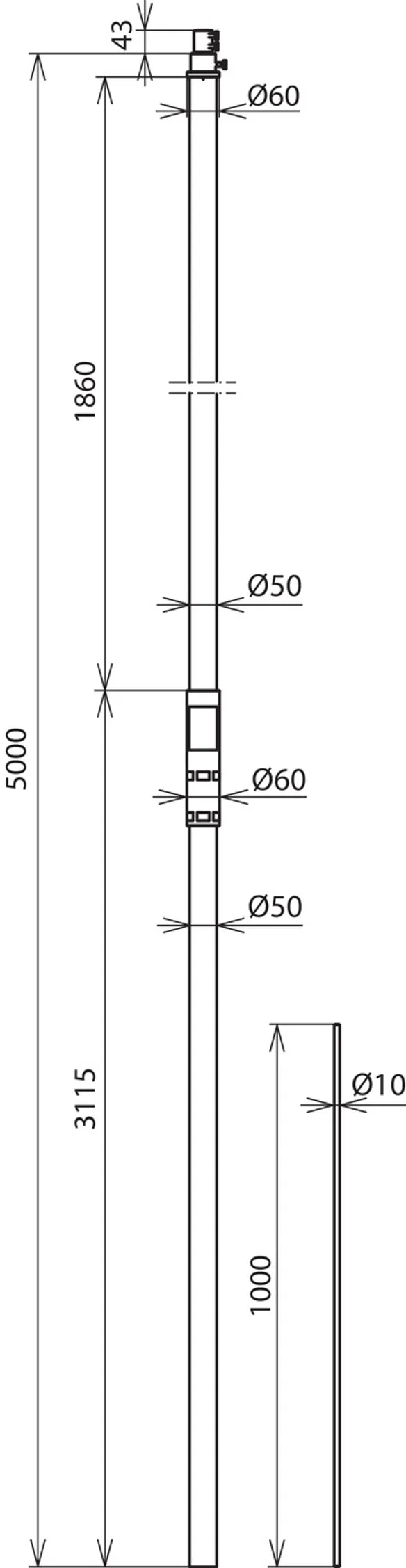
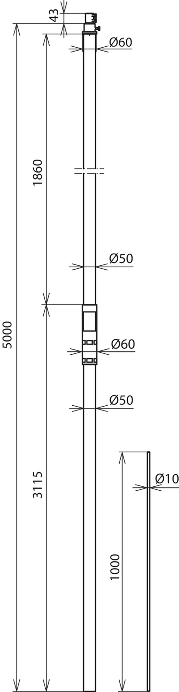
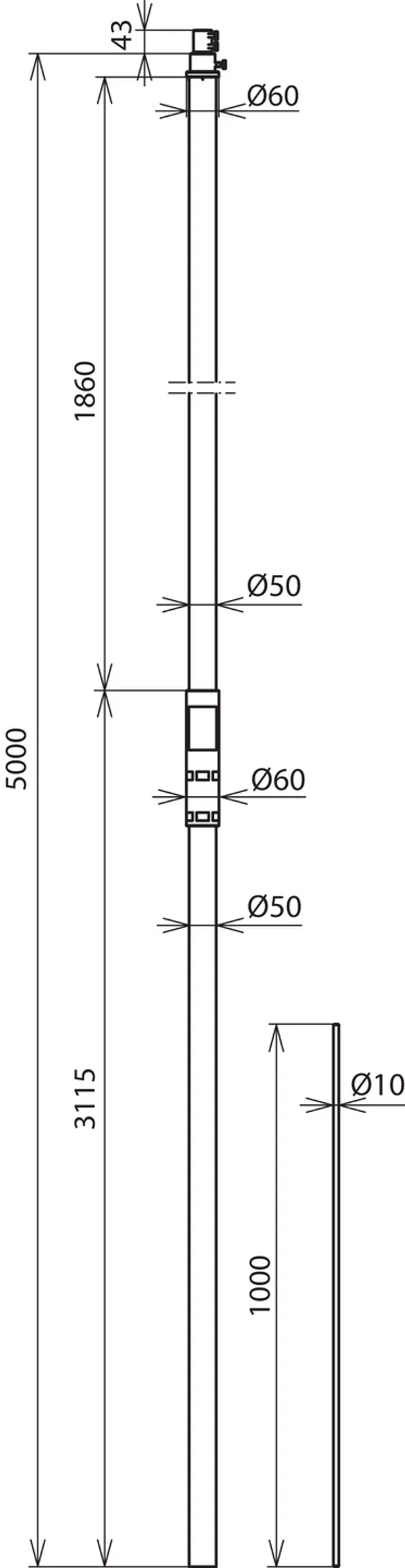
Part No. 105565 SR D50 5000 FSP1000 IA HVIP GFK AL

GTIN 4013364271944, Customs tariff No. (EU): 85389099, Gross weight: 8.10 kg, PU: 1.00 pc(s)


Images

Additional information

Supporting tube for HVI power Conductor with air-termination tip 5000 mm long, GRP/Al
GRP/Al supporting tubes with internal sealing end and EB spring element for HVI power Conductors
for keeping the separation distance from conductive parts according to IEC/EN 62305-3
The supporting tubes are dimensioned according to Eurocode 1 (DIN EN 1991-1-4 + DIN EN 1991-1-4/NA)
Insulating clearance made of glass-fibre reinforced plastic (GRP)
Material factor km = 0.7
Light grey colour, UV-stabilised, one element
Combined with air-termination tip, Ø10 mm, length of 1000 mm, Al
Material of supporting tube: GRP / Al
Length of supporting tube: 5000 mm
Outside diameter Ø : 50 mm
Max. free length with air-termination tip (wall mounting): 4000 mm
Max. gust wind speed: (Max. free length 4,000 mm, 1x HVI power inside) 201 km/h
Max. gust wind speed: (Max. free length 4,000 mm, 1x HVI power outside) 180 km/h
Standard: DIN IEC/TS 62561-8 (VDE V 0185-561-8)

Brand: DEHN
Type: SR D50 5000 FSP1000 IA HVIP GFK AL
Part No.: 105565
or equivalent.

 

Technical data

Material of supporting tube GRP / Al
Length of supporting tube 5000 mm
Outside diameter Ø 50 mm
Transport length 5000 mm
Length of insulating clearance 1800 mm
Suitable for installation outside the tube yes
Max. free length with air-termination tip (wall mounting) 4000 mm
Standard DIN IEC/TS 62561-8 (VDE V 0185-561-8)

Product 105565 was added to Notepad.

Product 105565 was added to the cart.

Part No. 105320 SR D50 3500 FSP1000 IP HVIP GFK V2A

GTIN 4013364152373, Customs tariff No. (EU): 85389099, Gross weight: 10.60 kg, PU: 1.00 pc(s)


Images

Additional information

Supporting tube for HVI power Conductor with air-termination tip, 3500 mm long, GRP/StSt
GRP/StSt supporting tubes with internal sealing end and EB spring element for HVI power Conductors
for keeping the separation distance from conductive parts according to IEC/EN 62305-3
The supporting tubes are dimensioned according to Eurocode 1 (DIN EN 1991-1-4 + DIN EN 1991-1-4/NA)
Insulating clearance made of glass-fibre reinforced plastic (GRP)
Material factor km = 0.7
Light grey colour, UV-stabilised, one element
Combined with air-termination tip, Ø10 mm, length of 1000 mm, StSt
Material of supporting tube: GRP / StSt
Length of supporting tube: 3500 mm
Outside diameter Ø : 50 mm
Max. free length with air-termination tip (wall mounting): 3500 mm
Max. gust wind speed: (Max. free length 3,500 mm, 1x HVI power inside) 234 km/h
Standard: DIN IEC/TS 62561-8 (VDE V 0185-561-8)

Brand: DEHN
Type: SR D50 3500 FSP1000 IP HVIP GFK V2A
Part No.: 105320
or equivalent.

Certificates

 

Technical data

Material of supporting tube GRP / StSt
Length of supporting tube 3500 mm
Outside diameter Ø 50 mm
Transport length 3500 mm
Length of insulating clearance 1800 mm
Suitable for installation outside the tube no
Max. free length with air-termination tip (wall mounting) 3500 mm
Standard DIN IEC/TS 62561-8 (VDE V 0185-561-8)

Product 105320 was added to Notepad.

Product 105320 was added to the cart.

Part No. 105322 SR D50 5000 FSP1000 IP HVIP GFK V2A

GTIN 4013364152380, Customs tariff No. (EU): 85389099, Gross weight: 15.80 kg, PU: 1.00 pc(s)


Images

Additional information

Supporting tube for HVI power Conductor with air-termination tip, 5000 mm long, GRP/StSt
GRP/StSt supporting tubes with internal sealing end and EB spring element for HVI power Conductors
for keeping the separation distance from conductive parts according to IEC/EN 62305-3
The supporting tubes are dimensioned according to Eurocode 1 (DIN EN 1991-1-4 + DIN EN 1991-1-4/NA)
Insulating clearance made of glass-fibre reinforced plastic (GRP)
Material factor km = 0.7
Light grey colour, UV-stabilised, one element
Combined with air-termination tip, Ø10 mm, length of 1000 mm, StSt
Material of supporting tube: GRP / StSt
Length of supporting tube: 5000 mm
Outside diameter Ø : 50 mm
Max. free length with air-termination tip (wall mounting): 4000 mm
Max. gust wind speed: (Max. free length 4,000 mm, 1x HVI power inside) 232 km/h
Standard: DIN IEC/TS 62561-8 (VDE V 0185-561-8)

Brand: DEHN
Type: SR D50 5000 FSP1000 IP HVIP GFK V2A
Part No.: 105322
or equivalent.

Certificates

 

Technical data

Material of supporting tube GRP / StSt
Length of supporting tube 5000 mm
Outside diameter Ø 50 mm
Transport length 5000 mm
Length of insulating clearance 1800 mm
Suitable for installation outside the tube no
Max. free length with air-termination tip (wall mounting) 4000 mm
Standard DIN IEC/TS 62561-8 (VDE V 0185-561-8)

Product 105322 was added to Notepad.

Product 105322 was added to the cart.


With air-termination rod

Supporting tube with internal sealing end and EB spring element.
Air-termination rod, Al/StSt, Ø22 / 16 / 10 mm, length 2500 mm.

4 Products

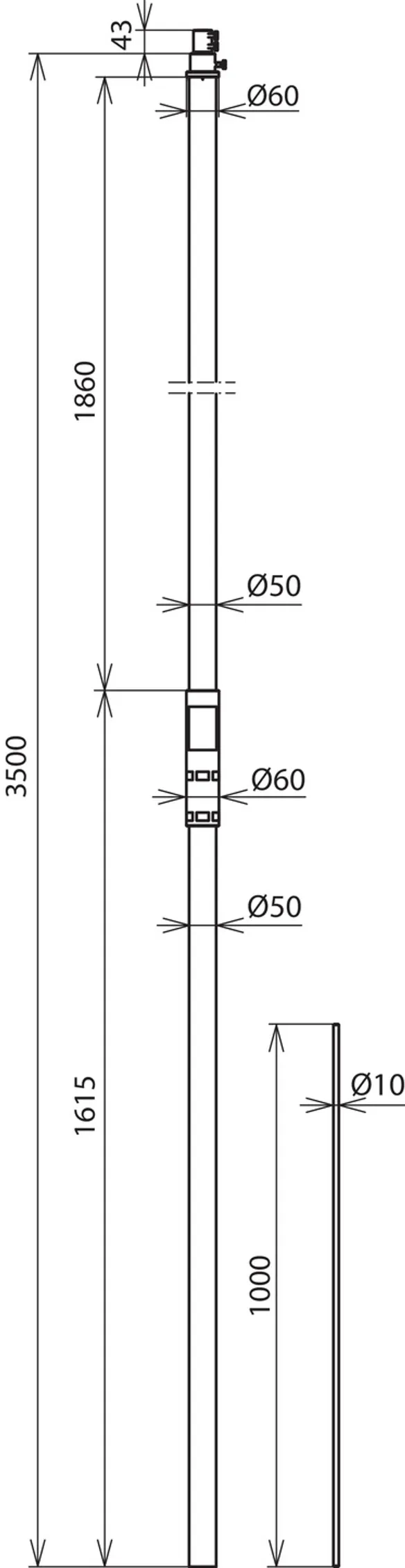
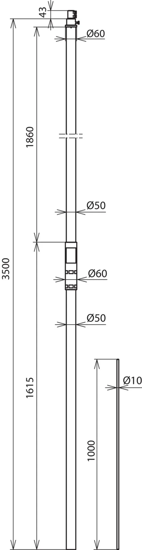
Part No. 105573 SR D50 3500 FS2500 IA HVIP GFK AL

GTIN 4013364271975, Customs tariff No. (EU): 85389099, Gross weight: 6.56 kg, PU: 1.00 pc(s)


Images

Additional information

Supporting tube for HVI power Conductor with air-termination rod, 3500 mm long, GRP/Al
GRP/Al supporting tubes with internal sealing end and EB spring element for HVI power Conductors
for keeping the separation distance from conductive parts according to IEC/EN 62305-3
The supporting tubes are dimensioned according to Eurocode 1 (DIN EN 1991-1-4 + DIN EN 1991-1-4/NA)
Insulating clearance made of glass-fibre reinforced plastic (GRP)
Material factor km = 0.7
Light grey colour, UV-stabilised, one element
Combined with air-termination rod, Ø22/16/10 mm, length of 2500 mm, Al
Material of supporting tube: GRP / Al
Length of supporting tube: 3500 mm
Outside diameter Ø : 50 mm
Max. free length with air-termination rod (wall mounting): 5000 mm
Max. gust wind speed: (Max. free length 5,000 mm, 1x HVI power inside) 168 km/h
Max. gust wind speed: (Max. free length 5,000 mm, 1x HVI power outside) 144 km/h
Standard: DIN IEC/TS 62561-8 (VDE V 0185-561-8)

Brand: DEHN
Type: SR D50 3500 FS2500 IA HVIP GFK AL
Part No.: 105573
or equivalent.

Certificates

 

Technical data

Material of supporting tube GRP / Al
Length of supporting tube 3500 mm
Outside diameter Ø 50 mm
Transport length 3500 mm
Length of insulating clearance 1800 mm
Suitable for installation outside the tube yes
Max. free length with air-termination rod (wall mounting) 5000 mm
Standard DIN IEC/TS 62561-8 (VDE V 0185-561-8)

Product 105573 was added to Notepad.

Product 105573 was added to the cart.

Part No. 105575 SR D50 5000 FS2500 IA HVIP GFK AL

GTIN 4013364272026, Customs tariff No. (EU): 85389099, Gross weight: 8.90 kg, PU: 1.00 pc(s)


Images

Additional information

Supporting tube for HVI power Conductor with air-termination rod, 5000 mm long, GRP/Al
GRP/Al supporting tubes with internal sealing end and EB spring element for HVI power Conductors
for keeping the separation distance from conductive parts according to IEC/EN 62305-3
The supporting tubes are dimensioned according to Eurocode 1 (DIN EN 1991-1-4 + DIN EN 1991-1-4/NA)
Insulating clearance made of glass-fibre reinforced plastic (GRP)
Material factor km = 0.7
Light grey colour, UV-stabilised, one element
Combined with air-termination rod, Ø22/16/10 mm, length of 2500 mm, Al
Material of supporting tube: GRP / Al
Length of supporting tube: 5000 mm
Outside diameter Ø : 50 mm
Max. free length with air-termination rod (wall mounting): 5500 mm
Max. gust wind speed: (Max. free length 5,500 mm, 1x HVI power inside) 163 km/h
Max. gust wind speed: (Max. free length 5,500 mm, 1x HVI power outside) 140 km/h
Standard: DIN IEC/TS 62561-8 (VDE V 0185-561-8)

Brand: DEHN
Type: SR D50 5000 FS2500 IA HVIP GFK AL
Part No.: 105575
or equivalent.

Certificates

 

Technical data

Material of supporting tube GRP / Al
Length of supporting tube 5000 mm
Outside diameter Ø 50 mm
Transport length 5000 mm
Length of insulating clearance 1800 mm
Suitable for installation outside the tube yes
Max. free length with air-termination rod (wall mounting) 5500 mm
Standard DIN IEC/TS 62561-8 (VDE V 0185-561-8)

Product 105575 was added to Notepad.

Product 105575 was added to the cart.

Part No. 105321 SR D50 3500 FS22 10 2500 IP HVIP GFK V2A

GTIN 4013364152397, Customs tariff No. (EU): 85389099, Gross weight: 12.20 kg, PU: 1.00 pc(s)


Images

Additional information

Supporting tube for HVI power Conductor with air-termination rod, 3500 mm long, GRP/StSt
GRP/StSt supporting tubes with internal sealing end and EB spring element for HVI power Conductors
for keeping the separation distance from conductive parts according to IEC/EN 62305-3
The supporting tubes are dimensioned according to Eurocode 1 (DIN EN 1991-1-4 + DIN EN 1991-1-4/NA)
Insulating clearance made of glass-fibre reinforced plastic (GRP)
Material factor km = 0.7
Light grey colour, UV-stabilised, one element
Combined with air-termination rod, Ø22/16/10 mm, length of 2500 mm, StSt
Material of supporting tube: GRP / StSt
Length of supporting tube: 3500 mm
Outside diameter Ø : 50 mm
Max. free length with air-termination rod (wall mounting): 5000 mm
Max. gust wind speed: (Max. free length 5,000 mm, 1x HVI power inside) 163 km/h
Standard: DIN IEC/TS 62561-8 (VDE V 0185-561-8)

Brand: DEHN
Type: SR D50 3500 FS22 10 2500 IP HVIP GFK V2A
Part No.: 105321
or equivalent.

Certificates

 

Technical data

Material of supporting tube GRP / StSt
Length of supporting tube 3500 mm
Outside diameter Ø 50 mm
Transport length 3500 mm
Length of insulating clearance 1800 mm
Suitable for installation outside the tube no
Max. free length with air-termination rod (wall mounting) 5000 mm
Standard DIN IEC/TS 62561-8 (VDE V 0185-561-8)

Product 105321 was added to Notepad.

Product 105321 was added to the cart.

Part No. 105323 SR D50 5000 FS22 10 2500 IP HVIP GFK V2A

GTIN 4013364152403, Customs tariff No. (EU): 85389099, Gross weight: 16.30 kg, PU: 1.00 pc(s)


Images

Additional information

Supporting tube for HVI power Conductor with air-termination rod, 5000 mm long, GRP/StSt
GRP/StSt supporting tubes with internal sealing end and EB spring element for HVI power Conductors
for keeping the separation distance from conductive parts according to IEC/EN 62305-3
The supporting tubes are dimensioned according to Eurocode 1 (DIN EN 1991-1-4 + DIN EN 1991-1-4/NA)
Insulating clearance made of glass-fibre reinforced plastic (GRP)
Material factor km = 0.7
Light grey colour, UV-stabilised, one element
Combined with air-termination rod, Ø22/16/10 mm, length of 2500 mm, StSt
Material of supporting tube: GRP / StSt
Length of supporting tube: 5000 mm
Outside diameter Ø : 50 mm
Max. free length with air-termination rod (wall mounting): 5500 mm
Max. gust wind speed: (Max. free length 5,500 mm, 1x HVI power inside) 159 km/h
Standard: DIN IEC/TS 62561-8 (VDE V 0185-561-8)

Brand: DEHN
Type: SR D50 5000 FS22 10 2500 IP HVIP GFK V2A
Part No.: 105323
or equivalent.

Certificates

 

Technical data

Material of supporting tube GRP / StSt
Length of supporting tube 5000 mm
Outside diameter Ø 50 mm
Transport length 5000 mm
Length of insulating clearance 1800 mm
Suitable for installation outside the tube no
Max. free length with air-termination rod (wall mounting) 5500 mm
Standard DIN IEC/TS 62561-8 (VDE V 0185-561-8)

Product 105323 was added to Notepad.

Product 105323 was added to the cart.


With air-termination tip and side outlet

Supporting tube with internal sealing end and EB spring element.
Air-termination tip, Al/StSt, Ø10 mm, length 1000 mm.

4 Products

Part No. 105513 SR D50 3500 FSP1000 IA SA HVIP GFK AL

GTIN 4013364270282, Customs tariff No. (EU): 85389099, Gross weight: 5.50 kg, PU: 1.00 pc(s)


Images

Additional information

Supporting tube for HVI power Conductors, GRP/Al, with lateral outlet
GRP/Al supporting tube with side outlet,
internal sealing end and EB spring element for HVI power Conductors
for keeping the separation distance from electrically conductive parts as per IEC/EN 62305-3
The supporting tubes are dimensioned according to Eurocode 1 (DIN EN 1991-1-4 + DIN EN 1991-1-4/NA)
Insulating clearance made of glass-fibre reinforced plastic (GRP)
Material factor km = 0.7
Light grey colour, UV-stabilised, one element
Combined with air-termination tip, Ø10 mm, length of 1000 mm, Al
Material of supporting tube: GRP / Al
Length of supporting tube: 3500 mm
Outside diameter Ø : 50 mm
Standard: DIN IEC/TS 62561-8 (VDE V 0185-561-8)

Brand: DEHN
Type: SR D50 3500 FSP1000 IA SA HVIP GFK AL
Part No.: 105513
or equivalent.

Certificates

 

Technical data

Material of supporting tube GRP / Al
Length of supporting tube 3500 mm
Outside diameter Ø 50 mm
Transport length 3500 mm
Length of insulating clearance 1800 mm
Suitable for installation outside the tube yes
Standard DIN IEC/TS 62561-8 (VDE V 0185-561-8)

Product 105513 was added to Notepad.

Product 105513 was added to the cart.

Part No. 105515 SR D50 5000 FSP1000 IA SA HVIP GFK AL

GTIN 4013364271821, Customs tariff No. (EU): 85389099, Gross weight: 8.00 kg, PU: 1.00 pc(s)


Images

Additional information

Supporting tube for HVI power Conductors, GRP/Al, with lateral outlet
GRP/Al supporting tube with side outlet,
internal sealing end and EB spring element for HVI power Conductors
for keeping the separation distance from electrically conductive parts as per IEC/EN 62305-3
The supporting tubes are dimensioned according to Eurocode 1 (DIN EN 1991-1-4 + DIN EN 1991-1-4/NA)
Insulating clearance made of glass-fibre reinforced plastic (GRP)
Material factor km = 0.7
Light grey colour, UV-stabilised, one element
Combined with air-termination tip, Ø10 mm, length of 1000 mm, Al
Material of supporting tube: GRP / Al
Length of supporting tube: 5000 mm
Outside diameter Ø : 50 mm
Standard: DIN IEC/TS 62561-8 (VDE V 0185-561-8)

Brand: DEHN
Type: SR D50 5000 FSP1000 IA SA HVIP GFK AL
Part No.: 105515
or equivalent.

Certificates

 

Technical data

Material of supporting tube GRP / Al
Length of supporting tube 5000 mm
Outside diameter Ø 50 mm
Transport length 5000 mm
Length of insulating clearance 1800 mm
Suitable for installation outside the tube yes
Standard DIN IEC/TS 62561-8 (VDE V 0185-561-8)

Product 105515 was added to Notepad.

Product 105515 was added to the cart.

Part No. 105392 SR D50 3500 FS1000 IP SA HVIP GFK V2A

GTIN 4013364157903, Customs tariff No. (EU): 85389099, Gross weight: 10.20 kg, PU: 1.00 pc(s)


Images

Additional information

Supporting tube for HVI power Conductors, GRP/StSt, with lateral outlet
GRP/StSt supporting tubes with side outlet,
internal sealing end and EB spring element for HVI power Conductors
for keeping the separation distance from electrically conductive parts as per IEC/EN 62305-3
The supporting tubes are dimensioned according to Eurocode 1 (DIN EN 1991-1-4 + DIN EN 1991-1-4/NA)
Insulating clearance made of glass-fibre reinforced plastic (GRP)
Material factor km = 0.7
Light grey colour, UV-stabilised, one element
Combined with air-termination tip, Ø10 mm, length of 1000 mm, StSt
Material of supporting tube: GRP / StSt
Length of supporting tube: 3500 mm
Outside diameter Ø : 50 mm
Standard: DIN IEC/TS 62561-8 (VDE V 0185-561-8)

Brand: DEHN
Type: SR D50 3500 FS1000 IP SA HVIP GFK V2A
Part No.: 105392
or equivalent.

Certificates

 

Technical data

Material of supporting tube GRP / StSt
Length of supporting tube 3500 mm
Outside diameter Ø 50 mm
Transport length 3500 mm
Length of insulating clearance 1800 mm
Suitable for installation outside the tube no
Standard DIN IEC/TS 62561-8 (VDE V 0185-561-8)

Product 105392 was added to Notepad.

Product 105392 was added to the cart.

Part No. 105394 SR D50 5000 FS1000 IP SA HVIP GFK V2A

GTIN 4013364157910, Customs tariff No. (EU): 85389099, Gross weight: 15.10 kg, PU: 1.00 pc(s)


Images

Additional information

Supporting tube for HVI power Conductors, GRP/StSt, with lateral outlet
GRP/StSt supporting tubes with lateral outlet,
internal sealing end and EB spring element for HVI power Conductors
for keeping the separation distance from electrically conductive parts as per IEC/EN 62305-3
The supporting tubes are dimensioned according to Eurocode 1 (DIN EN 1991-1-4 + DIN EN 1991-1-4/NA)
Insulating clearance made of glass-fibre reinforced plastic (GRP)
Material factor km = 0.7
Light grey colour, UV-stabilised, one element
Combined with air-termination tip, Ø10 mm, length of 1000 mm, StSt
Material of supporting tube: GRP / StSt
Length of supporting tube: 5000 mm
Outside diameter Ø : 50 mm
Standard: DIN IEC/TS 62561-8 (VDE V 0185-561-8)

Brand: DEHN
Type: SR D50 5000 FS1000 IP SA HVIP GFK V2A
Part No.: 105394
or equivalent.

Certificates

 

Technical data

Material of supporting tube GRP / StSt
Length of supporting tube 5000 mm
Outside diameter Ø 50 mm
Transport length 5000 mm
Length of insulating clearance 1800 mm
Suitable for installation outside the tube no
Standard DIN IEC/TS 62561-8 (VDE V 0185-561-8)

Product 105394 was added to Notepad.

Product 105394 was added to the cart.


With air-termination rod and side outlet

Supporting tube with internal sealing end and EB spring element.
Air-termination rod, Al/StSt, Ø22 / 16 / 10 mm, length 2500 mm.

3 Products

Part No. 105543 SR D50 3500 FS2500 IA SA HVIP GFK AL

GTIN 4013364271845, Customs tariff No. (EU): 85389099, Gross weight: 6.40 kg, PU: 1.00 pc(s)


Images

Additional information

Supporting tube for HVI power Conductors, GRP/Al, with lateral outlet
GRP/Al supporting tubes with lateral outlet,
internal sealing end and EB spring element for HVI power Conductors
for keeping the separation distance from electrically conductive parts as per IEC/EN 62305-3
The supporting tubes are dimensioned according to Eurocode 1 (DIN EN 1991-1-4 + DIN EN 1991-1-4/NA)
Insulating clearance made of glass-fibre reinforced plastic (GRP)
Material factor km = 0.7
Light grey colour, UV-stabilised, one element
Combined with air-termination tip, Ø22/16/10 mm, length of 2500 mm, Al
Material of supporting tube: GRP / Al
Length of supporting tube: 3500 mm
Outside diameter Ø : 50 mm
Standard: DIN IEC/TS 62561-8 (VDE V 0185-561-8)

Brand: DEHN
Type: SR D50 3500 FS2500 IA SA HVIP GFK AL
Part No.: 105543
or equivalent.

Certificates

 

Technical data

Material of supporting tube GRP / Al
Length of supporting tube 3500 mm
Outside diameter Ø 50 mm
Transport length 3500 mm
Length of insulating clearance 1800 mm
Suitable for installation outside the tube yes
Standard DIN IEC/TS 62561-8 (VDE V 0185-561-8)

Product 105543 was added to Notepad.

Product 105543 was added to the cart.

Part No. 105545 SR D50 5000 FS2500 IA SA HVIP GFK AL

GTIN 4013364271876, Customs tariff No. (EU): 85389099, Gross weight: 8.90 kg, PU: 1.00 pc(s)


Images

Additional information

Supporting tube for HVI power Conductors, GRP/Al, with lateral outlet
GRP/Al supporting tubes with lateral outlet,
internal sealing end and EB spring element for HVI power Conductors
for keeping the separation distance from electrically conductive parts as per IEC/EN 62305-3
The supporting tubes are dimensioned according to Eurocode 1 (DIN EN 1991-1-4 + DIN EN 1991-1-4/NA)
Insulating clearance made of glass-fibre reinforced plastic (GRP)
Material factor km = 0.7
Light grey colour, UV-stabilised, one element
Combined with air-termination tip, Ø22/16/10 mm, length of 2500 mm, Al
Material of supporting tube: GRP / Al
Length of supporting tube: 5000 mm
Outside diameter Ø : 50 mm
Standard: DIN IEC/TS 62561-8 (VDE V 0185-561-8)

Brand: DEHN
Type: SR D50 5000 FS2500 IA SA HVIP GFK AL
Part No.: 105545
or equivalent.

Certificates

 

Technical data

Material of supporting tube GRP / Al
Length of supporting tube 5000 mm
Outside diameter Ø 50 mm
Transport length 5000 mm
Length of insulating clearance 1800 mm
Suitable for installation outside the tube yes
Standard DIN IEC/TS 62561-8 (VDE V 0185-561-8)

Product 105545 was added to Notepad.

Product 105545 was added to the cart.

Part No. 105395 SR D50 5000 FS2500 IP SA HVIP GFK V2A

GTIN 4013364157934, Customs tariff No. (EU): 85389099, Gross weight: 17.12 kg, PU: 1.00 pc(s)


Images

Additional information

Supporting tube for HVI power Conductors, GRP/StSt, with lateral outlet
GRP/StSt supporting tubes with lateral outlet,
internal sealing end and EB spring element for HVI power Conductors
for keeping the separation distance from electrically conductive parts as per IEC/EN 62305-3
The supporting tubes are dimensioned according to Eurocode 1 (DIN EN 1991-1-4 + DIN EN 1991-1-4/NA)
Insulating clearance made of glass-fibre reinforced plastic (GRP)
Material factor km = 0.7
Light grey colour, UV-stabilised, one element
Combined with air-termination tip, Ø22/16/10 mm, length of 2500 mm, StSt
Material of supporting tube: GRP / StSt
Length of supporting tube: 5000 mm
Outside diameter Ø : 50 mm
Standard: DIN IEC/TS 62561-8 (VDE V 0185-561-8)

Brand: DEHN
Type: SR D50 5000 FS2500 IP SA HVIP GFK V2A
Part No.: 105395
or equivalent.

Certificates

 

Technical data

Material of supporting tube GRP / StSt
Length of supporting tube 5000 mm
Outside diameter Ø 50 mm
Transport length 5000 mm
Length of insulating clearance 1800 mm
Suitable for installation outside the tube no
Standard DIN IEC/TS 62561-8 (VDE V 0185-561-8)

Product 105395 was added to Notepad.

Product 105395 was added to the cart.


back to top