Conductor Holders for HVI power Conductor in Ex Areas
:quality(98)/www.dehn.in/store/f/63120331/HDVORSCHAU/Fangeinrichtung_013_16-9.jpg)
:quality(98)/www.dehn.in/store/f/63120331/HDVORSCHAU/Fangeinrichtung_013_16-9.jpg)
The HVI power Conductoris suitable for use in hazardous areas of Ex zone 1 (gases, vapours, mist) and Ex zone 21 (dust). The special installation conditions safely prevent electric sparks to neighbouring metal parts when lightning current flows through the HVI power Conductor.
Details
:quality(98)/www.dehn.in/store/f/63120333/HDVORSCHAU/819137_160_Herst_E.jpg)
:quality(98)/www.dehn.in/store/f/63120333/HDVORSCHAU/819137_160_Herst_E.jpg)
:quality(98)/www.dehn.in/store/f/63120332/HDVORSCHAU/HVI-Leitung_1_T%C3%9CV_2015.jpg)
:quality(98)/www.dehn.in/store/f/63120332/HDVORSCHAU/HVI-Leitung_1_T%C3%9CV_2015.jpg)
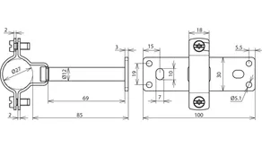
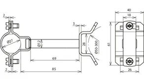
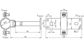
Part No. 275450 LH ZS 27 EX W85 BP V2A
GTIN 4013364244436, Customs tariff No. (EU): 85389099, Gross weight: 179.40 g, PU: 10.00 pc(s)
Technical data
Material | StSt |
Conductor support Rd | 27 mm |
Distance from wall | 85 mm |
Fixing | [4x] Ø5.1 / [2x] 7 x 10 mm |
Standard | DIN IEC/TS 62561-8 (VDE V 0185-561-8) |
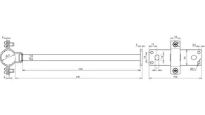
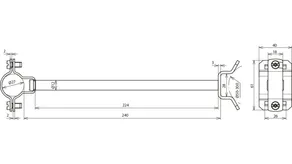
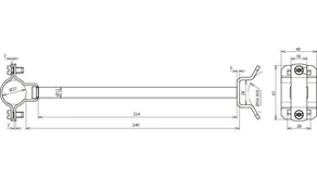
Part No. 275451 LH ZS 27 EX W240 BP V2A
GTIN 4013364244498, Customs tariff No. (EU): 85389099, Gross weight: 291.40 g, PU: 10.00 pc(s)
Technical data
Material | StSt |
Conductor support Rd | 27 mm |
Distance from wall | 240 mm |
Fixing | [4x] Ø5.1 / [2x] 7 x 10 mm |
Standard | DIN IEC/TS 62561-8 (VDE V 0185-561-8) |
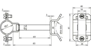
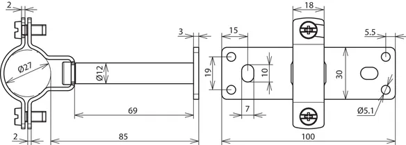
Part No. 275498 VS EX 500 V2A
GTIN 4013364146945, Customs tariff No. (EU): 85389099, Gross weight: 320.00 g, PU: 10.00 pc(s)
PredecessorTechnical data
Fixing | [4x] Ø5.5 / [2x] 7 x 10 mm |
Part No. 275454 LH ZS 27 EX P85 SBB V2A
GTIN 4013364244504, Customs tariff No. (EU): 85389099, Gross weight: 188.50 g, PU: 10.00 pc(s)
Technical data
Material | StSt |
Conductor support Rd | 27 mm |
Distance from wall | 85 mm |
Clamping range of tube | 50-300 mm |
Standard | DIN IEC/TS 62561-8 (VDE V 0185-561-8) |
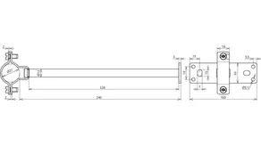
Part No. 275455 LH ZS 27 EX P240 SBB V2A
GTIN 4013364244535, Customs tariff No. (EU): 85389099, Gross weight: 296.30 g, PU: 10.00 pc(s)
Technical data
Material | StSt |
Conductor support Rd | 27 mm |
Distance from wall | 240 mm |
Clamping range of tube | 50-300 mm |
Standard | DIN IEC/TS 62561-8 (VDE V 0185-561-8) |