DEHNcube EMOB

  • Multipole surge protection in a junction box for e-mobility
  • Prewired complete unit for e-mobility
  • Tested to EN 61643-11 and EN 61439-2
  • Can be used as per DIN VDE and EN 61439 for e-mobility
  • Outgoing installation cable is prewired
  • Suitable for applications up to 22 kW

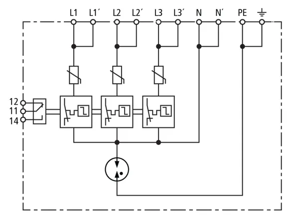
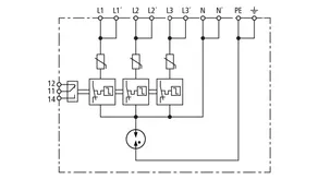
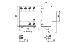
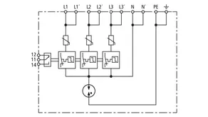
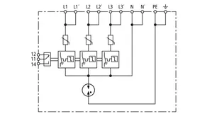
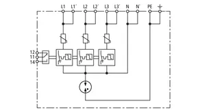
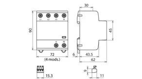
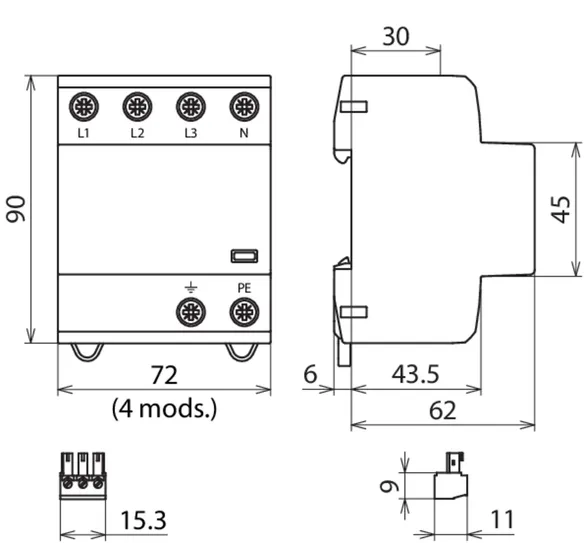
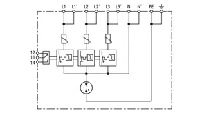
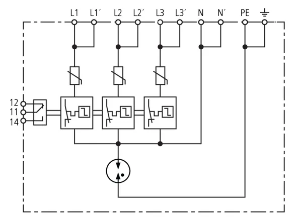
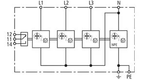
DEHNcube EMOB 2 16

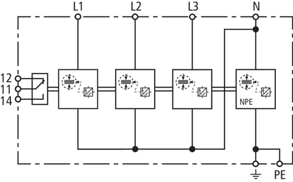
Junction box for e-mobility.
With surge protection and push-in terminals for the output.

1 Product

Part No. 900901 DCU EMOB 2 16

GTIN 4013364506183, Customs tariff No. (EU): 85371098, Gross weight: 1.14 kg, PU: 1.00 pc(s)


Images

Additional information

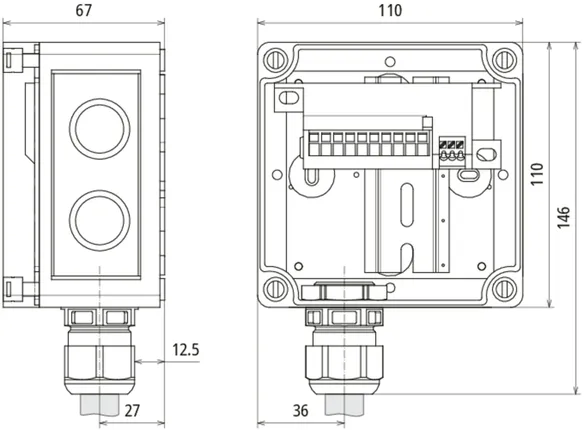
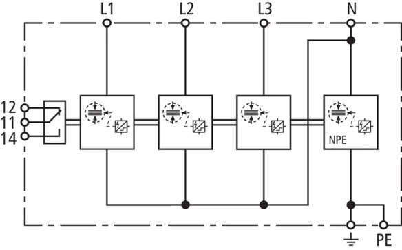
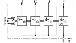
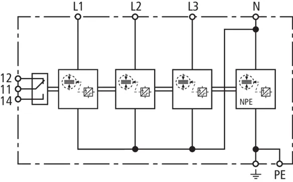
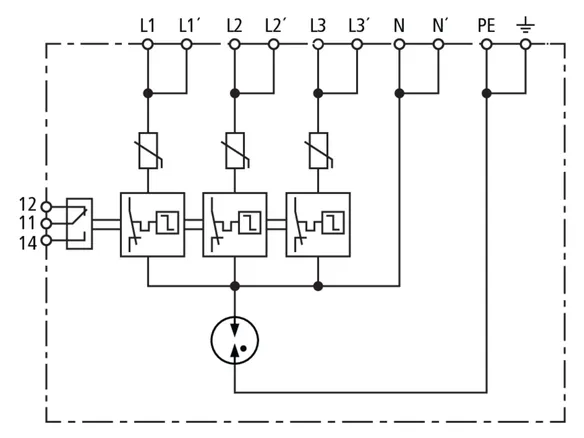
Junction box DCU EMOB 2 16
Junction box type 2+3 / II+III
as per EN 61643-11 / IEC 61643-11
EN 61439-2 / IEC 61439-2
Prewired complete unit for
universal installation upstream of the wallbox
with remote signalling contact, operating state/fault indication
Max. continuous operating voltage: 275 V AC
Voltage protection level: <= 1.5 kV
Nominal discharge current (8/20) 10 kA
Total discharge current (8/20): 40 kA
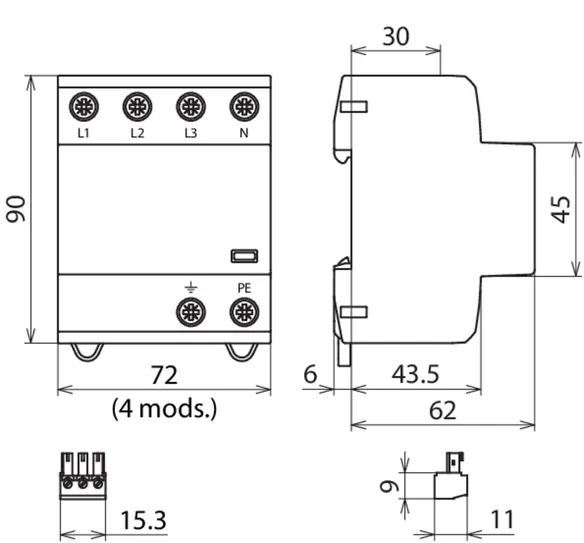
Nominal current 16 A
Max. power: 11 kW
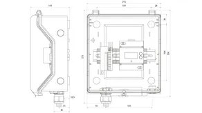
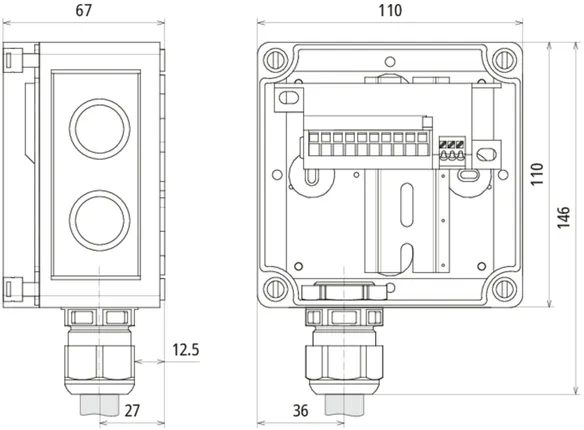
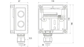
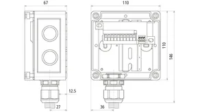
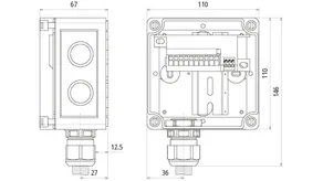
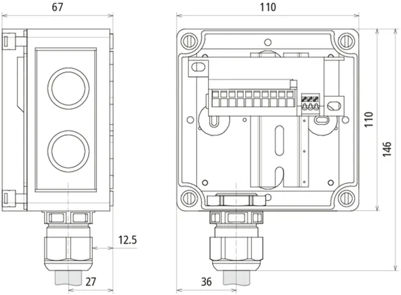
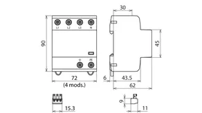
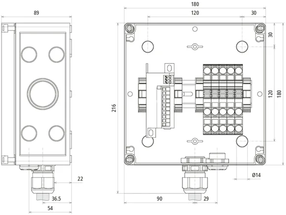
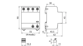
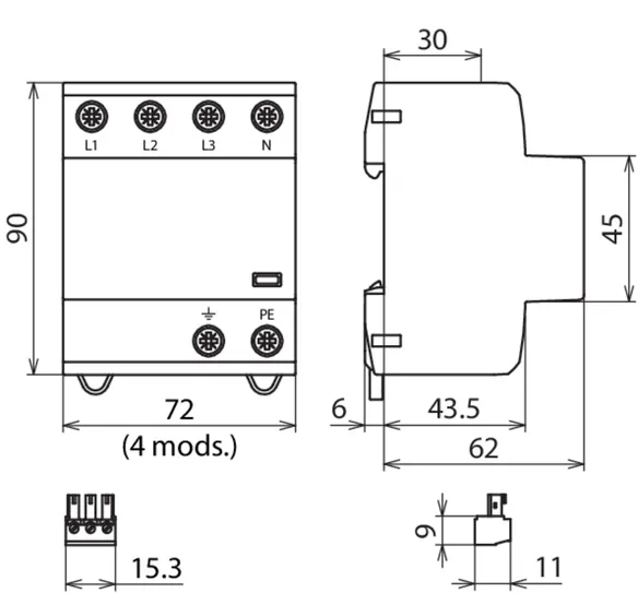
Dimensions: 110 x 110 x 66 mm

Brand: DEHN
Type: DCU EMOB 2 16
Part No.: 900901
or equivalent.

Certificates

 

Technical data

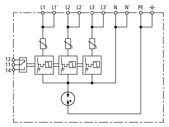
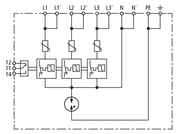
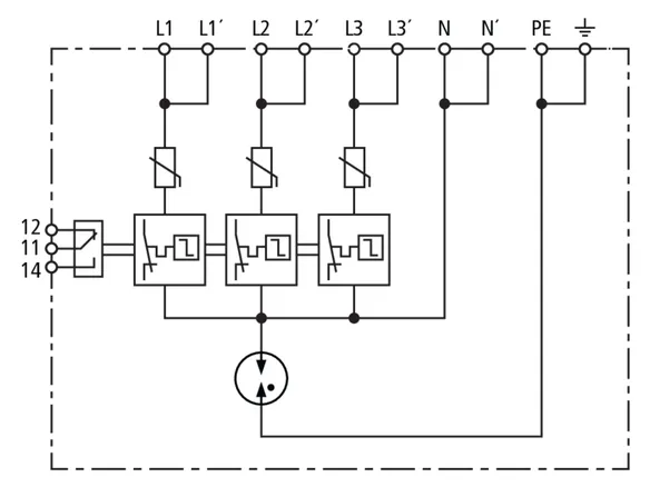
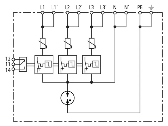
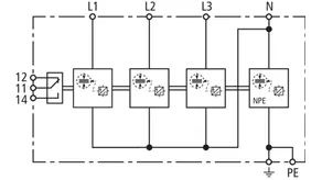
SPD according to EN 61643-11 / IEC 61643-11 type 2 + type 3 / class II + class III
Max. continuous operating voltage (a.c.) [L-N] (UC ) 275 V (50 / 60 Hz)
Max. continuous operating voltage (d.c.) (UC ) 350 V
Nominal alternating current (IL ) 16 A
Max. power 11 kW
Nominal discharge current (8/20 µs) [L-N] (In ) 10 kA
Max. discharge current (8/20 µs) [L-N] (Imax ) 20 kA
Nominal discharge current (8/20 µs) [N-PE] (In ) 10 kA
Max. discharge current (8/20 µs) [N-PE] (Imax ) 20 kA
Voltage protection level [L-N] (UP ) ≤ 1.5 kV
Voltage protection level [N-PE] (UP ) ≤ 1.5 kV

Product 900901 was added to Notepad.

Product 900901 was added to the cart.


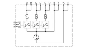
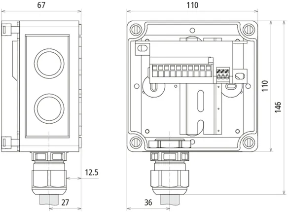
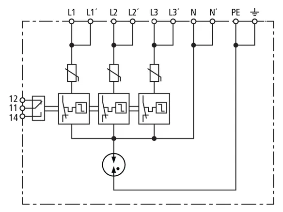
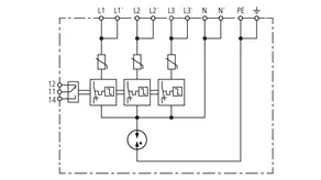
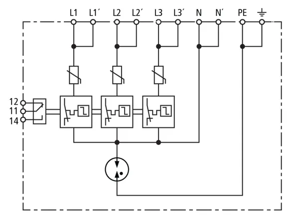
DEHNcube EMOB 2 25

Junction box for e-mobility.
With surge protection and push-in terminals for the output.

1 Product

Part No. 900902 DCU EMOB 2 25

GTIN 4013364506190, Customs tariff No. (EU): 85371098, Gross weight: 1.63 kg, PU: 1.00 pc(s)


Images

Additional information

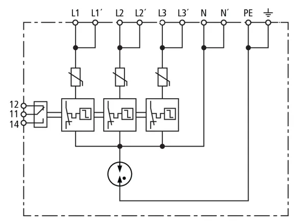
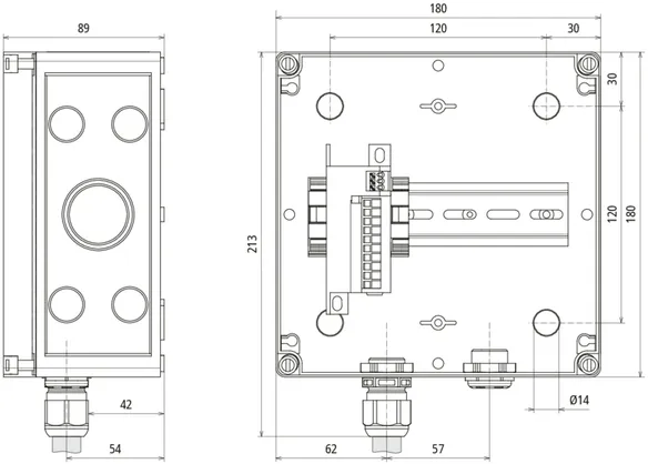
Junction box DCU EMOB 2 25
Junction box type 2+3 / II+III
as per EN 61643-11 / IEC 61643-11
EN 61439-2 / IEC 61439-2
Prewired complete unit for
universal installation upstream of the wallbox
with remote signalling contact, operating state/fault indication
Max. continuous operating voltage: 275 V AC
Voltage protection level: <= 1.5 kV
Nominal discharge current (8/20) 10 kA
Total discharge current (8/20): 40 kA
Nominal current: 25 A
Max. power: 11 / 22 kW
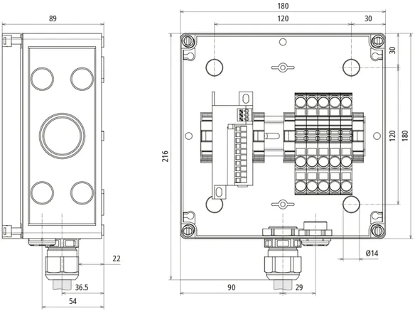
Dimensions: 182 x 180 x 100 mm

Brand: DEHN
Type: DCU EMOB 2 25
Part No.: 900902
or equivalent.

Certificates

 

Technical data

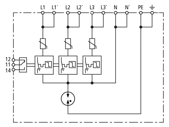
SPD according to EN 61643-11 / IEC 61643-11 Type 2 + Type 3 / class II + class III
Max. continuous operating voltage (a.c.) [L-N] (UC ) 275 V (50 / 60 Hz)
Max. continuous operating voltage (d.c.) (UC ) 350 V
Nominal alternating current (IL ) 25 A
Max. power 11 / 22 kW
Nominal discharge current (8/20 µs) [L-N] (In ) 10 kA
Max. discharge current (8/20 µs) [L-N] (Imax ) 20 kA
Nominal discharge current (8/20 µs) [N-PE] (In ) 10 kA
Max. discharge current (8/20 µs) [N-PE] (Imax ) 20 kA
Voltage protection level [L-N] (UP ) ≤ 1.5 kV
Voltage protection level [N-PE] (UP ) ≤ 1.5 kV

Product 900902 was added to Notepad.

Product 900902 was added to the cart.


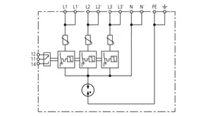
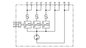
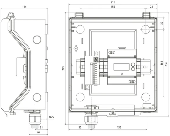
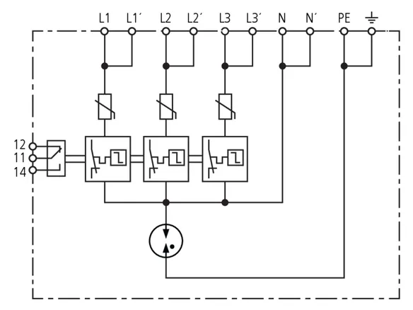
DEHNcube EMOB 2 25 C

Junction box for e-mobility.
With energy meter and surge protection with push-in terminals for the output.

1 Product

Part No. 900903 DCU EMOB 2 25 C

GTIN 4013364506206, Customs tariff No. (EU): 85371098, Gross weight: 2.06 kg, PU: 1.00 pc(s)


Images

Additional information

Junction box DCU EMOB 2 25
Junction box type 2+3 / II+III
as per EN 61643-11 / IEC 61643-11
EN 61439-2 / IEC 61439-2
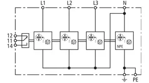
Prewired complete unit, including
a 3-phase energy meter for
universal installation upstream of the wallbox
with remote signalling contact, operating state/fault indication
Max. continuous operating voltage: 275 V AC
Voltage protection level: <= 1.5 kV
Nominal discharge current (8/20) 10 kA
Total discharge current (8/20): 40 kA
Nominal current: 25 A
Max. power: 11 / 22 kW
Dimensions: 217 x 253 x 115 mm

Brand: DEHN
Type: DCU EMOB 2 25 C
Part No.: 900903
or equivalent.

Certificates

 

Technical data

SPD according to EN 61643-11 / IEC 61643-11 Type 2 + Type 3 / class II + class III
Max. continuous operating voltage (a.c.) [L-N] (UC ) 275 V (50 / 60 Hz)
Max. continuous operating voltage (d.c.) (UC ) 350 V
Nominal alternating current (IL ) 25 A
Max. power 11 / 22 kW
Nominal discharge current (8/20 µs) [L-N] (In ) 10 kA
Max. discharge current (8/20 µs) [L-N] (Imax ) 20 kA
Nominal discharge current (8/20 µs) [N-PE] (In ) 10 kA
Max. discharge current (8/20 µs) [N-PE] (Imax ) 20 kA
Voltage protection level [L-N] (UP ) ≤ 1.5 kV
Voltage protection level [N-PE] (UP ) ≤ 1.5 kV

Product 900903 was added to Notepad.

Product 900903 was added to the cart.


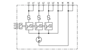
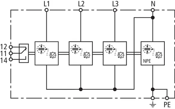
DEHNcube EMOB 1 32

Junction box for e-mobility.
With combined arrester and push-in terminals for the output.

1 Product

Part No. 900904 DCU EMOB 1 32

GTIN 4013364506213, Customs tariff No. (EU): 85371098, Gross weight: 2.55 kg, PU: 1.00 pc(s)


Images

Additional information

Junction box DCU EMOB 1 32
Junction box type 1+2 / I+II
as per EN 61643-11 / IEC 61643-11
EN 61439-2 / IEC 61439-2
Prewired complete unit for
universal installation upstream of the wallbox
with remote signalling contact, operating state/fault indication
Max. continuous operating voltage: 255 V AC
Voltage protection level: <= 1.5 kV
Lightning impulse current (10/350): 12.5 / 50 kA
Nominal discharge current (8/20) 25 / 100 kA
Nominal current: 32 A
Max. power: 11 / 22 kW
Dimensions: 217 x 253 x 115 mm

Brand: DEHN
Type: DCU EMOB 1 32
Part No.: 900904
or equivalent.

Certificates

 

Technical data

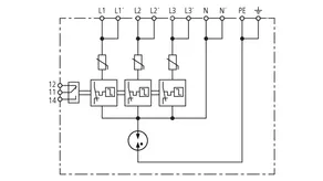
SPD according to EN 61643-11 / IEC 61643-11 type 1 + type 2 / class I + class II
Max. continuous operating voltage (a.c.) [L-N]/[N-PE] (UC ) 255 V (50 / 60 Hz)
Nominal alternating current (IL ) 32 A
Max. power 11 / 22 kW
Lightning impulse current (10/350 µs) [L-N]/[N-PE] (Iimp ) 12.5 / 50 kA
Nominal discharge current (8/20 µs) (In ) 25 / 100 kA
Voltage protection level [L-N] (UP ) ≤ 1.5 kV
Voltage protection level [N-PE] (UP ) ≤ 1.5 kV

Product 900904 was added to Notepad.

Product 900904 was added to the cart.


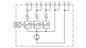
DEHNcube EMOB 2 32

Junction box for e-mobility.
With surge protection and push-in terminals for the output.

1 Product

Part No. 900905 DCU EMOB 2 32

GTIN 4013364506244, Customs tariff No. (EU): 85371098, Gross weight: 2.07 kg, PU: 1.00 pc(s)


Images

Additional information

Junction box DCU EMOB 2 32
Junction box type 2+3 / II+III
as per EN 61643-11 / IEC 61643-11
EN 61439-2 / IEC 61439-2
Prewired complete unit for
universal installation upstream of the wallbox
with remote signalling contact, operating state/fault indication
Max. continuous operating voltage: 275 V AC
Voltage protection level: <= 1.5 kV
Nominal discharge current (8/20) 10 kA
Total discharge current (8/20): 40 kA
Nominal current: 32 A
Max. power: 11 / 22 kW
Dimensions: 182 x 180 x 100 mm

Brand: DEHN
Type: DCU EMOB 2 32
Part No.: 900905
or equivalent.

Certificates

 

Technical data

SPD according to EN 61643-11 / IEC 61643-11 Type 2 + Type 3 / class II + class III
Max. continuous operating voltage (a.c.) [L-N] (UC ) 275 V (50 / 60 Hz)
Max. continuous operating voltage (d.c.) (UC ) 350 V
Nominal alternating current (IL ) 32 A
Max. power 11 / 22 kW
Nominal discharge current (8/20 µs) [L-N] (In ) 10 kA
Max. discharge current (8/20 µs) [L-N] (Imax ) 20 kA
Nominal discharge current (8/20 µs) [N-PE] (In ) 10 kA
Max. discharge current (8/20 µs) [N-PE] (Imax ) 20 kA
Voltage protection level [L-N] (UP ) ≤ 1.5 kV
Voltage protection level [N-PE] (UP ) ≤ 1.5 kV

Product 900905 was added to Notepad.

Product 900905 was added to the cart.


back to top