Hammer Inserts for Tubular Earth Rods
                        
                        
                            
                        Details
                                
                                    
                                Part No. 648005 HE RE 25 R27 VH WN STBLANK
GTIN 4013364129160, Customs tariff No. (EU): 82079099, Gross weight: 1.46 kg, PU: 1.00 pc(s)
Technical data
| Type | EH 22/400, EH 23/230, EH 24/042/200, BH 23 and BHF 30 | 
| Adapter | round Ø27 x 80 mm | 
| Material | St/bare | 
| Hole (d1 x l1) | 25.6 x 39 mm | 
| Length | 246 mm | 
| Earth rod diameter | 25 mm | 
| Earth rod type | RE | 
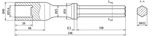
Part No. 648007 HE RE 25 SW22 VH AC STBLANK
GTIN 4013364129177, Customs tariff No. (EU): 82079099, Gross weight: 1.46 kg, PU: 1.00 pc(s)
Technical data
| Type | Cobra 149+248 and Pionjär 120+130 | 
| Adapter | hexagon, wrench size 22 x 108 mm | 
| Material | St/bare | 
| Hole (d1 x l1) | 25.6 x 39 mm | 
| Length | 246 mm | 
| Earth rod diameter | 25 mm | 
| Earth rod type | RE | 
Part No. 648009 HE RE 25 SDS MAX VH STBLANK
GTIN 4013364315501, Customs tariff No. (EU): 82079099, Gross weight: 973.00 g, PU: 1.00 pc(s)
Technical data
| Type | vibration / impact hammer with SDS-max adapter | 
| Adapter | round Ø18 x 175 mm | 
| Material | St/bare | 
| Hole (d1 x l1) | 25.6 x 39 mm | 
| Length | 260 mm | 
| Earth rod diameter | 25 mm | 
| Earth rod type | RE | 
| Note: It is recommended to use a hammer with a minimum striking force of 26 joules. The maximum drive-in depth depends on the soil conditions. | |
Part No. 648029 HE RE 25 SW28 VH BO STBLANK
GTIN 4013364236059, Customs tariff No. (EU): 82079099, Gross weight: 1.60 kg, PU: 1.00 pc(s)
Technical data
| Type | GSH 27, GSH 27 VC, TE 3000 AVR (up to 2021 model), K 2628 H | 
| Adapter | hexagon AF28 | 
| Material | St/bare | 
| Hole (d1 x l1) | 25.6 x 39 mm | 
| Length | 266 mm | 
| Earth rod diameter | 25 mm | 
| Earth rod type | RE | 
Part No. 648031 HE RE 25 TES VH HI STBLANK
GTIN 4013364293182, Customs tariff No. (EU): 82079099, Gross weight: 1.51 kg, PU: 1.00 pc(s)
Technical data
| Type | vibration / impact hammer with TE-S adapter | 
| Adapter | Hilti TE-S | 
| Material | St/bare | 
| Hole (d1 x l1) | 25,6 x 39 mm | 
| Length | 280 mm | 
| Earth rod diameter | 25 mm | 
| Earth rod type | RE |