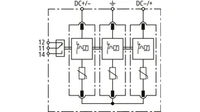
DEHNguard YPV ... FM

  • Unité complète précâblée pour systèmes photovoltaïques, comprenant une embase et des modules de protection enfichables
  • Circuit Y résistant aux erreurs avec trois varistances hautes performances qui permet d’éviter les dommages de la protection contre les surtensions par défauts d’isolation dans le circuit générateur
  • Testé selon la norme EN 61643-31
  • Haute fiabilité de la surveillance en raison du système « Thermo-Dynamic-Control »
  • Indication de défaut grâce à un voyant rouge dans la fenêtre
  • Utilisation conformément à la norme IEC 60364-7-712 « Installations d’énergie solaire photovoltaïque »

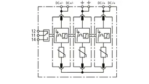
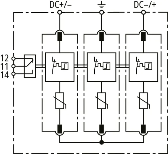
DEHNguard MP YPV ... FM

Parafoudre modulaire et multipolaire pour les systèmes photovoltaïques avec contact de télésignalisation pour le dispositif de surveillance (contact inverseur sans potentiel).

2 Products

Part No. 942565 DG MP YPV 1200 FM

GTIN 4013364495685, Customs tariff No. (EU): 85354000, Gross weight: 355.99 g, PU: 1.00 pièce(s)


Images

Additional information

Parafoudre DEHNguard MP YPV 1200 FM
Parafoudre multipolaire, modulaire, enfichable pour installations photovoltaïques
avec borne de raccordement double push-in pour
le câblage de dérivation et le câblage en série adapté
jusqu’à 1170 V DC, largeur 3 modules standard
Indication de défaut
avec contact de télésignalisation
Type 2 selon EN 61643-31
Utilisation conformément à la norme IEC 60364-7-712
Tension photovoltaïque maximale : <= 1170 V DC
Courant de décharge total : 40 kA
Niveau de protection : <= 4 kV
Résistance aux courts-circuits Iscpv : 10 kA

produit : DEHN
Type: DG MP YPV 1200 FM
Référence: 942565
ou équivalent

Certificates

 

Technical data

SPD selon NF EN 61643-31 Type 2/Classe II
Tension PV max. (UCPV ) 1170 V
Tenue aux courts-circuits (ISCPV ) 10 kA
Courant nominal de décharge (8/20 µs) [(DC+/DC-) --> PE] (In ) 20 kA
Courant max. de décharge (8/20 µs) [(DC+/DC-) --> PE] (Imax ) 40 kA
Niveau de protection en tension (UP ) ≤ 4 kV
Contacts de télésignalisation/Type de contact inverseur

Product 942565 was added to Notepad.

Product 942565 was added to the cart.

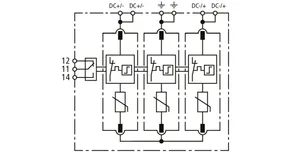
Part No. 942567 DG MP YPV 1500 FM

GTIN 4013364495678, Customs tariff No. (EU): 85354000, Gross weight: 387.05 g, PU: 1.00 pièce(s)


Images

Additional information

Parafoudre DEHNguard MP YPV 1500 FM
Parafoudre multipolaire, modulaire, enfichable pour installations photovoltaïques
avec borne de raccordement double push-in pour
le câblage de dérivation et le câblage en série adapté
jusqu’à 1500 V DC, largeur 3 modules standard
Indication de défaut
avec contact de télésignalisation
Type 2 selon EN 61643-31
Utilisation conformément à la norme IEC 60364-7-712
Tension photovoltaïque maximale : <= 1500 V DC
Courant de décharge total : 40 kA
Niveau de protection : <= 5 kV
Résistance aux courts-circuits Iscpv : 10 kA

produit : DEHN
Type: DG MP YPV 1500 FM
Référence: 942567
ou équivalent

Certificates

 

Technical data

SPD selon NF EN 61643-31 Type 2/Classe II
Tension PV max. (UCPV ) 1500 V
Tenue aux courts-circuits (ISCPV ) 10 kA
Courant nominal de décharge (8/20 µs) [(DC+/DC-) --> PE] (In ) 15 kA
Courant max. de décharge (8/20 µs) [(DC+/DC-) --> PE] (Imax ) 40 kA
Niveau de protection en tension (UP ) ≤ 5 kV
Contacts de télésignalisation/Type de contact inverseur

Product 942567 was added to Notepad.

Product 942567 was added to the cart.


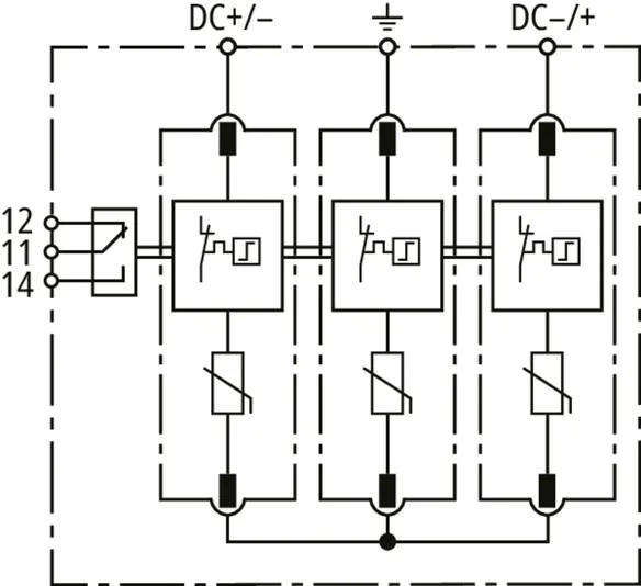
DEHNguard M YPV ... FM

Parafoudre modulaire et multipôlaires pour les systèmes photovoltaïques avec contact de signalisation pour le dispositif de surveillance (contact inverseur)

2 Products

Part No. 952565 DG M YPV 1200 FM

GTIN 4013364327719, Customs tariff No. (EU): 85354000, Gross weight: 382.00 g, PU: 1.00 pièce(s)


Images

Additional information

Parafoudre DEHNguard M YPV 1200 FM
Parafoudre photovoltaïque multipolaire, modulaire, enfichable
jusqu’à 1170 V DC, largeur 3 modules standard
Indication de défaut
Type 2 selon EN 61643-31
Utilisation conformément à la norme IEC 60364-7-712
Tension photovoltaïque maximale : <= 1170 V DC
Courant de décharge total : 40 kA
Niveau de protection : <= 4 kV
Résistance aux courts-circuits Iscpv : 10 kA

produit : DEHN
Type: DG M YPV 1200 FM
Référence: 952565
ou équivalent

Certificates

 

Technical data

SPD selon NF EN 61643-31 Type 2/Classe II
Tension PV max. (UCPV ) 1170 V
Tenue aux courts-circuits (ISCPV ) 10 kA
Courant nominal de décharge (8/20 µs) [(DC+/DC-) --> PE] (In ) 20 kA
Courant max. de décharge (8/20 µs) [(DC+/DC-) --> PE] (Imax ) 40 kA
Niveau de protection en tension (UP ) ≤ 4 kV
Certifications UL, KEMA
Contacts de télésignalisation/Type de contact Inverseur

Product 952565 was added to Notepad.

Product 952565 was added to the cart.

Part No. 952567 DG M YPV 1500 FM

GTIN 4013364327726, Customs tariff No. (EU): 85354000, Gross weight: 411.20 g, PU: 1.00 pièce(s)


Images

Additional information

Parafoudre DEHNguard M YPV 1500
Parafoudre photovoltaïque multipolaire, modulaire, enfichable
jusqu’à 1500 V DC, largeur 3 modules standard
Indication de défaut
Avec contact de télésignalisation
type 2 selon EN 61643-31
Utilisation conformément à la norme IEC 60364-7-712
Tension photovoltaïque maximale : <= 1500 V DC
Courant de décharge total : 40 kA
Niveau de protection : <= 5 kV
Résistance aux courts-circuits Iscpv : 10 kA

produit : DEHN
Type: DG M YPV 1500 FM
Référence: 952567
ou équivalent

Certificates

 

Technical data

SPD selon NF EN 61643-31 Type 2/Classe II
Tension PV max. (UCPV ) 1500 V
Tenue aux courts-circuits (ISCPV ) 10 kA
Courant nominal de décharge (8/20 µs) [(DC+/DC-) --> PE] (In ) 15 kA
Courant max. de décharge (8/20 µs) [(DC+/DC-) --> PE] (Imax ) 40 kA
Niveau de protection en tension (UP ) ≤ 5 kV
Certifications UL, KEMA
Contacts de télésignalisation/Type de contact inverseur

Product 952567 was added to Notepad.

Product 952567 was added to the cart.


back to top