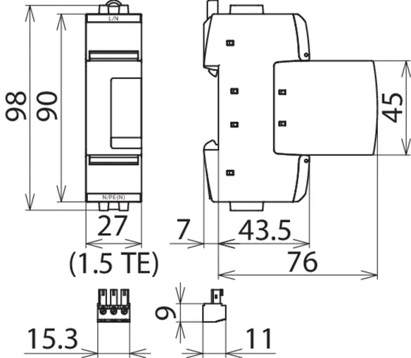
DEHNguard SE CI avec fusible intégré

  • Fusible intégré
  • Utilisé à des tensions nominales supérieures
  • Coordonné énergiquement avec la famille des produits Red/Line
  • Haute capacité de décharge
  • Haute sécurité de l'appareil grâce à la surveillance des parafoudres "Thermo-Dynamics Control"
  • Remplacement simple et sans outil du module de protection grâce au système de verrouillage du module avec bouton de déverrouillage
  • Testé contre les vibrations et les chocs selon EN 60068-2

DEHNguard SE CI 440 FM

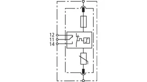
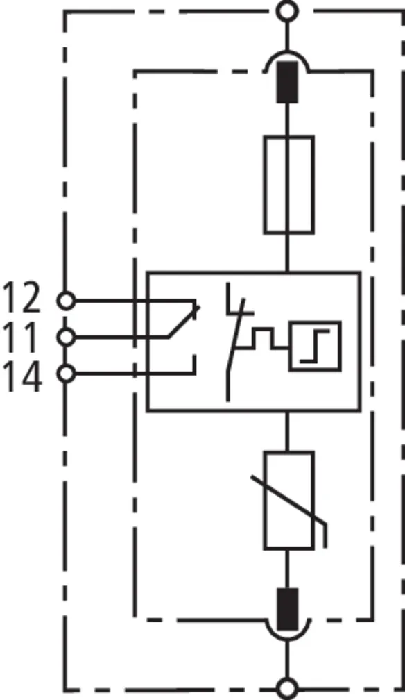
Parafoudre unipolaire constitué d'une embase et d'un module de protection ; avec fusible intégré et contact de télésignalisation (contact sec)

1 Product

Part No. 952920 DG SE CI 440 FM

GTIN 4013364322622, Customs tariff No. (EU): 85363030, Gross weight: 178.00 g, PU: 1.00 pièce(s)


Images

Additional information



produit : DEHN
Type: DG SE CI 440 FM
Référence: 952920
ou équivalent

Certificates

 

Circuit Interruption

The backup fuse is already integrated here. This means: reduced space requirement, lower installation costs, faster wiring, and shorter connecting cables. This concept can be found in the product ranges DEHNvenCI, DEHNbloc Maxi S, DEHNguard ... CI and V(A) NH...

Technical data

SPD selon NF EN 61643-11/... CEI 61643-11 Type 2/Classe II
Tension d’utilisation permanente max AC (UC ) 440 V (50 / 60 Hz)
Courant nominal de décharge (8/20 µs) (In ) 12,5 kA
Niveau de protection (UP ) ≤ 2 kV
Protection max. contre les surintensités pas nécessaire
Contacts de télésignalisation/Type de contact Inverseur

Product 952920 was added to Notepad.

Product 952920 was added to the cart.


DEHNguard SE CI WE 440 FM

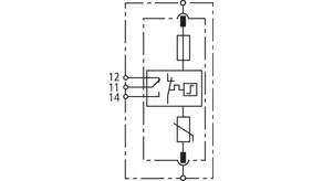
Parafoudre unipolaire avec tension assignée de varistance Umov = 750 V AC, constitué d'une embase et d'un module de protection ; avec fusible intégré et contact de télésignalisation (contact sec).

1 Product

Part No. 952923 DG SE CI WE 440 FM

GTIN 4013364322639, Customs tariff No. (EU): 85363030, Gross weight: 184.00 g, PU: 1.00 pièce(s)


Images

Additional information



produit : DEHN
Type: DG SE CI WE 440 FM
Référence: 952923
ou équivalent

Certificates

 

Circuit Interruption

The backup fuse is already integrated here. This means: reduced space requirement, lower installation costs, faster wiring, and shorter connecting cables. This concept can be found in the product ranges DEHNvenCI, DEHNbloc Maxi S, DEHNguard ... CI and V(A) NH...

Technical data

SPD selon NF EN 61643-11/... CEI 61643-11 Type 2/Classe II
Tension d’utilisation permanente max AC (UC ) 440 V (50/60 Hz)
Tension assignée par varistance (Umov ) 750 V
Courant nominal de décharge (8/20 µs) (In ) 12,5 kA
Niveau de protection (UP ) ≤ 3 kV
Protection max. contre les surintensités pas nécessaire
Contacts de télésignalisation/Type de contact Inverseur

Product 952923 was added to Notepad.

Product 952923 was added to the cart.


back to top