VC 280 2

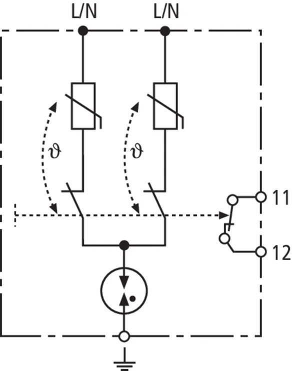
  • Parafoudre type 3 bipolaire avec dispositif de surveillance et de déconnexion
  • Circuit de protection complet contre les surtensions pour des appareils alimentés en courant alternatif
  • Sécurité élevée grâce au circuit de protection en étoile anti-méprise
  • Contact sec de télésignalisation (signal d'ouverture) avec possibilité de test pour indication de défaut
  • Pour montage sur circuits imprimés

VC 280 2

Module de protection contre les surtensions pour montage dans l'équipement à protéger avec contact de télésignalisation.

1 Product

Part No. 900471 VC 280 2

GTIN 4013364067547, Customs tariff No. (EU): 85363010, Gross weight: 27.50 g, PU: 1.00 pièce(s)


Images

Additional information



produit : DEHN
Type: VC 280 2
Référence: 900471
ou équivalent

Certificates

 

Technical data

SPD selon NF EN 61643-11/... CEI 61643-11 Type 3/Classe III
Tension max. de régime permanent AC (UC ) 280 V (50/60 Hz)
Courant nominal de décharge (8/20 µs) (In ) 3 kA
Courant de décharge total (8/20 µs) [L+N-PE] (Itotal ) 5 kA
Niveau de protection [L-N] / [L/N-PE] (UP ) ≤ 1250 / ≤ 1500 V
Protection max. contre les surintensités B 16 A
Indication de fonctionnement/de défaut Contact de télésignalisation (signal d'ouverture)

Product 900471 was added to Notepad.

Product 900471 was added to the cart.


back to top