DEHNguard YPV SCI ... – compact

  • Unité complète précâblée pour systèmes photovoltaïques
  • Dispositif combiné de coupure et de mise en court-circuit avec coupure électrique sécurisée (principe SCI breveté)
  • Le circuit Y éprouvé résistant aux défauts du DEHNguard YPV SCI ... évite la détérioration de la protection contre les surtensions en cas de défaut d’isolation dans le circuit générateur
  • Testé selon la norme EN 61643-31
  • Peut être utilisé dans tous les systèmes photovoltaïques conformément à IEC 60364-7-712

Details

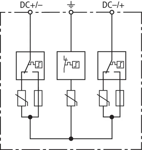
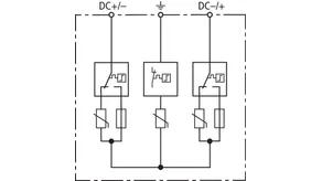
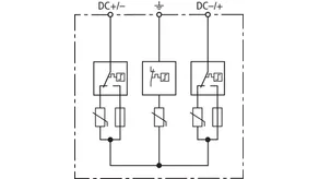
Dispositif de commutation en trois étapes (principe SCI breveté)
lorem ipsum

DEHNguard compact YPV SCI ...

Parafoudre multipolaire avec dispositif de déconnexion du courant continu en trois étapes pour systèmes PV.

2 Products

Part No. 950531 DG YPV SCI 600

GTIN 4013364152953, Customs tariff No. (EU): 85363030, Gross weight: 296.00 g, PU: 1.00 pièce(s)

Predecessor

Images

Additional information

Parafoudre DEHNguard compact YPV SCI 600
Parafoudre photovoltaïque multipolaire jusqu’à 600 V DC
avec dispositif de commutation DC à trois niveaux, largeur 3 modules standard
Indication de défaut
type 2 selon EN 61643-31
Utilisation conformément à la norme IEC 60364-7-712
Séparation électrique sécurisée
Tension photovoltaïque maximale : <=600 V DC
Courant de décharge total : 40 kA
Niveau de protection : <= 2,5 kV
Résistance aux courts-circuits Iscpv : 1000 A

produit : DEHN
Type: DG YPV SCI 600
Référence: 950531
ou équivalent

Certificates

 

SCI-Technology

The patented SCI technology with active arc extinction allows to actively, quickly and safely extinguish a possible switching arc in case of overload. The PV fuse integrated in the short-circuit path trips immediately after the arc has been extinguished, thus ensuring safe electrical isolation (interruption). Consequently, all PV arresters from DEHN combine surge protection, fire protection and personal protection in a single device

Technical data

SPD selon NF EN 61643-31 Type 2/Classe II
Tension PV max. (UCPV ) 600 V
Tenue aux courts-circuits (ISCPV ) 1000 A
Courant nominal de décharge (8/20 µs) [(DC+/DC-) --> PE] (In ) 12,5 kA
Courant de décharge max. (8/20 µs) [(DC+/DC-) --> PE] (Imax ) 25 kA
Niveau de protection en tension (UP ) ≤ 2,5 kV
Certifications KEMA, UL

Product 950531 was added to Notepad.

Product 950531 was added to the cart.

Part No. 950530 DG YPV SCI 1000

GTIN 4013364152960, Customs tariff No. (EU): 85363030, Gross weight: 321.00 g, PU: 1.00 pièce(s)


Images

Additional information

Parafoudre DEHNguard compact YPV SCI 1000
Parafoudre photovoltaïque multipolaire jusqu’à 1000 V DC
avec dispositif de commutation DC à trois niveaux, largeur 3 modules standard
Indication de défaut
type 2 selon EN 61643-31
Utilisation conformément à la norme IEC 60364-7-71
Séparation électrique sécurisée
Tension photovoltaïque maximale : <=1000 V DC
Courant de décharge total : 40 kA
Niveau de protection : <= 4 kV
Résistance aux courts-circuits Iscpv : 1000 A

produit : DEHN
Type: DG YPV SCI 1000
Référence: 950530
ou équivalent

Certificates

 

SCI-Technology

The patented SCI technology with active arc extinction allows to actively, quickly and safely extinguish a possible switching arc in case of overload. The PV fuse integrated in the short-circuit path trips immediately after the arc has been extinguished, thus ensuring safe electrical isolation (interruption). Consequently, all PV arresters from DEHN combine surge protection, fire protection and personal protection in a single device

Technical data

SPD selon NF EN 61643-31 Type 2/Classe II
Tension PV max. (UCPV ) 1000 V
Tenue aux courts-circuits (ISCPV ) 1000 A
Courant nominal de décharge (8/20 µs) [(DC+/DC-) --> PE] (In ) 12,5 kA
Courant de décharge max. (8/20 µs) [(DC+/DC-) --> PE] (Imax ) 25 kA
Niveau de protection en tension (UP ) ≤ 4 kV
Certifications KEMA, UL

Product 950530 was added to Notepad.

Product 950530 was added to the cart.


DEHNguard compact YPV SCI ... FM

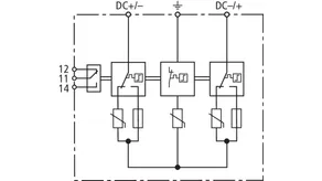
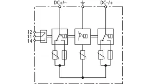
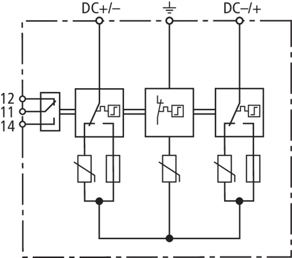
Parafoudre multipolaire avec dispositif de déconnexion du courant continu en trois étapes pour systèmes PV. Avec contact de télésignalisation pour dispositif de surveillance (contact sec inverseur)

2 Products

Part No. 950536 DG YPV SCI 600 FM

GTIN 4013364154995, Customs tariff No. (EU): 85363030, Gross weight: 306.00 g, PU: 1.00 pièce(s)

Predecessor

Images

Additional information

Parafoudre DEHNguard compact YPV SCI 600 FM
Parafoudre photovoltaïque multipolaire jusqu’à 600 V DC
avec dispositif de commutation DC à trois niveaux, largeur 3 modules standard
Indication de défaut, avec contact de télésignalisation
type 2 selon EN 61643-31
Utilisation conformément à la norme IEC 60364-7-712
Séparation électrique sécurisée
Tension photovoltaïque maximale : <=600 V DC
Courant de décharge total : 40 kA
Niveau de protection : <= 2,5 kV
Résistance aux courts-circuits Iscpv : 1000 A

produit : DEHN
Type: DG YPV SCI 600 FM
Référence: 950536
ou équivalent

Certificates

 

SCI-Technology

The patented SCI technology with active arc extinction allows to actively, quickly and safely extinguish a possible switching arc in case of overload. The PV fuse integrated in the short-circuit path trips immediately after the arc has been extinguished, thus ensuring safe electrical isolation (interruption). Consequently, all PV arresters from DEHN combine surge protection, fire protection and personal protection in a single device

Technical data

SPD selon NF EN 61643-31 Type 2/Classe II
Tension PV max. (UCPV ) 600 V
Tenue aux courts-circuits (ISCPV ) 1000 A
Courant nominal de décharge (8/20 µs) [(DC+/DC-) --> PE] (In ) 12,5 kA
Courant de décharge max. (8/20 µs) [(DC+/DC-) --> PE] (Imax ) 25 kA
Niveau de protection en tension (UP ) ≤ 2,5 kV
Certifications KEMA, UL
Contacts de télésignalisation/Type de contact inverseur

Product 950536 was added to Notepad.

Product 950536 was added to the cart.

Part No. 950535 DG YPV SCI 1000 FM

GTIN 4013364154988, Customs tariff No. (EU): 85363030, Gross weight: 331.00 g, PU: 1.00 pièce(s)


Images

Additional information

Parafoudre DEHNguard compact YPV SCI 1000 FM
Parafoudre photovoltaïque multipolaire jusqu’à 1000 V DC
avec dispositif de commutation DC à trois niveaux, largeur 3 modules standard
Indication de défaut, avec contact de télésignalisation
type 2 selon EN 61643-31
Utilisation conformément à la norme IEC 60364-7-712
Séparation électrique sécurisée
Tension photovoltaïque maximale : <=1000 V DC
Courant de décharge total : 40 kA
Niveau de protection : <= 4 kV
Résistance aux courts-circuits Iscpv : 1000 A

produit : DEHN
Type: DG YPV SCI 1000 FM
Référence: 950535
ou équivalent

Certificates

 

SCI-Technology

The patented SCI technology with active arc extinction allows to actively, quickly and safely extinguish a possible switching arc in case of overload. The PV fuse integrated in the short-circuit path trips immediately after the arc has been extinguished, thus ensuring safe electrical isolation (interruption). Consequently, all PV arresters from DEHN combine surge protection, fire protection and personal protection in a single device

Technical data

SPD selon NF EN 61643-31 Type 2/Classe II
Tension PV max. (UCPV ) 1000 V
Tenue aux courts-circuits (ISCPV ) 1000 A
Courant nominal de décharge (8/20 µs) [(DC+/DC-) --> PE] (In ) 12,5 kA
Courant de décharge max. (8/20 µs) [(DC+/DC-) --> PE] (Imax ) 25 kA
Niveau de protection en tension (UP ) ≤ 4 kV
Certifications KEMA, UL
Contacts de télésignalisation/Type de contact inverseur

Product 950535 was added to Notepad.

Product 950535 was added to the cart.


back to top