DEHNvenCI

  • Parafoudre combiné à base d'éclateurs à air avec un fusible amont intégré et tenue au courant de foudre
  • Coordonné énergétiquement avec la gamme de produits Red/Line
  • Bas niveau de protection UP ≤ 1,5 kV (fusible amont inclus)
  • Continuité de service accrue des installations grâce à la technologie de limitation du courant de suite « RADAX-Flow »
  • Extinction du courant de suite jusqu'à 100 kAeff
  • Capacité élevée d'écoulement du courant de foudre de 25 kA (10/350 µs)
  • Permet la protection des équipements terminaux
  • Indication optique de fonctionnement/défaut grâce à un voyant mécanique vert/rouge

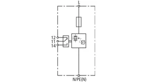
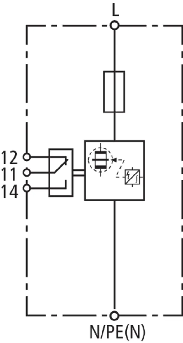
DEHNvenCI 255 (FM)

Parafoudre combiné unipolaire avec fusible intégré et une tenue au courant de choc de décharge élevée pour les systèmes 230 / 400 V ; version FM avec contact sec de télésignalisation.

2 Products

Part No. 961200 DVCI 1 255

GTIN 4013364145108, Customs tariff No. (EU): 85363090, Gross weight: 477.30 g, PU: 1.00 pièce(s)


Images

Additional information

Parafoudre combiné DEHNvenCI 255
Parafoudre combiné unipolaire avec fusible amont intégré,
largeur 2 modules standard
Parafoudre type 1 + type 2 selon EN 61643-11
Technologie d’éclateurs à air « RADAX-Flow » avec limitation du courant de suite

Permet la protection des appareils terminaux
Affichage des défauts pour le parafoudre et fusible intégré
Tension continue maximale : 255 V AC
Niveau de protection : <= 1,5 kV
Courant de foudre (10/350) : 25 kA
Tenue aux courants de court-circuit : jusqu’à 100 kAeff.
Coordination énergétique selon DIN EN 62305-4
Parafoudre de la gamme Red/Line, ainsi que directement pour les appareils terminaux

produit : DEHN
Type: DVCI 1 255
Référence: 961200
ou équivalent

Certificates

 

Circuit Interruption

The backup fuse is already integrated here. This means: reduced space requirement, lower installation costs, faster wiring, and shorter connecting cables. This concept can be found in the product ranges DEHNvenCI, DEHNbloc Maxi S, DEHNguard ... CI and V(A) NH...

Wave breaker function

In the case of spark-gap-based type 1 arresters, the entire current flows through the type 1 arrester during the discharge process. Like a wave breaker, the incoming energy is greatly broken down, which significantly relieves the downstream SPDs. All type 1 arresters in the Red/Line product range feature the WBF wave breaker function.

Technical data

SPD selon EN 61643-11 / ... CEI 61643-11 Type 1 + Type 2 / Classe I + Classe II
Tension max. de régime permanent AC (UC ) 255 V (50/60 Hz)
Courant de choc de décharge (10/350 µs) (Iimp ) 25 kA
Niveau de protection en tension (UP ) ≤ 1,5 kV
Protection max. contre les surintensités Fusible amont intégré
Certifications KEMA
Caractéristiques techniques supplémentaires: Utilisation dans des tableaux de distribution présentant des courants de court-circuit présumés > 50 kAeff (testé et controlé par VDE)
– Courant de court-circuit présumé max. 100 kAeff (220 kApeak)

Product 961200 was added to Notepad.

Product 961200 was added to the cart.

Part No. 961205 DVCI 1 255 FM

GTIN 4013364145115, Customs tariff No. (EU): 85363090, Gross weight: 480.80 g, PU: 1.00 pièce(s)


Images

Additional information

Parafoudre combiné DEHNvenCI 255 FM
Parafoudre combiné unipolaire avec fusible amont intégré,
Fusible amont au parafoudre, largeur 2 modules standard
avec contact de télésignalisation
Parafoudre type 1 + type 2 selon EN 61643-11
Technologie d’éclateurs à air « RADAX-Flow » avec limitation du courant de suite

Permet la protection des appareils terminaux
Affichage des défauts et télésignalisation pour le parafoudre et fusible intégré
Tension continue maximale : 255 V AC
Niveau de protection : <= 1,5 kV
Courant de foudre (10/350) : 25 kA
Tenue aux courants de court-circuit : jusqu’à 100 kAeff.
Coordination énergétique selon
DIN EN 62305-4
Parafoudre de la gamme Red/Line, ainsi que directement pour les appareils terminaux

produit : DEHN
Type: DVCI 1 255 FM
Référence: 961205
ou équivalent

Certificates

 

Circuit Interruption

The backup fuse is already integrated here. This means: reduced space requirement, lower installation costs, faster wiring, and shorter connecting cables. This concept can be found in the product ranges DEHNvenCI, DEHNbloc Maxi S, DEHNguard ... CI and V(A) NH...

Wave breaker function

In the case of spark-gap-based type 1 arresters, the entire current flows through the type 1 arrester during the discharge process. Like a wave breaker, the incoming energy is greatly broken down, which significantly relieves the downstream SPDs. All type 1 arresters in the Red/Line product range feature the WBF wave breaker function.

Technical data

SPD selon EN 61643-11 / ... CEI 61643-11 Type 1 + Type 2 / Classe I + Classe II
Tension max. de régime permanent AC (UC ) 255 V (50/60 Hz)
Courant de choc de décharge (10/350 µs) (Iimp ) 25 kA
Niveau de protection en tension (UP ) ≤ 1,5 kV
Protection max. contre les surintensités Fusible amont intégré
Certifications KEMA
Contacts de télésignalisation/Type de contact Inverseur
Caractéristiques techniques supplémentaires: Utilisation dans des tableaux de distribution présentant des courants de court-circuit présumés > 50 kAeff (testé et controlé par VDE)
– Courant de court-circuit présumé max. 100 kAeff (220 kApeak)

Product 961205 was added to Notepad.

Product 961205 was added to the cart.


back to top