Pointes de capture télescopiques

Pour une fixation par ex. sur les murs ou les constructions spéciales

Les pointes de capture sont dimensionnées selon Eurocode 1(DIN EN 1991-1-4 + DIN EN 1991-1-4/NA).

La fixation par ex. sur un mur s’effectue avec la référence 105 342, et sur tubes avec la référence 105 354.

La longueur libre maximale se compose de la pointe captrice de la pointe de capture jusqu’au support supérieur (point de fixation).
Pour des raisons de stabilité, le support central (3 fixations) doit être monté si possible à l’aide du support supérieur. La distance ne doit pas dépasser 15 cm. Le support inférieur (point de fixation) doit être installé dans une zone ≤ 15 cm à l’extrémité de la pointe de capture.

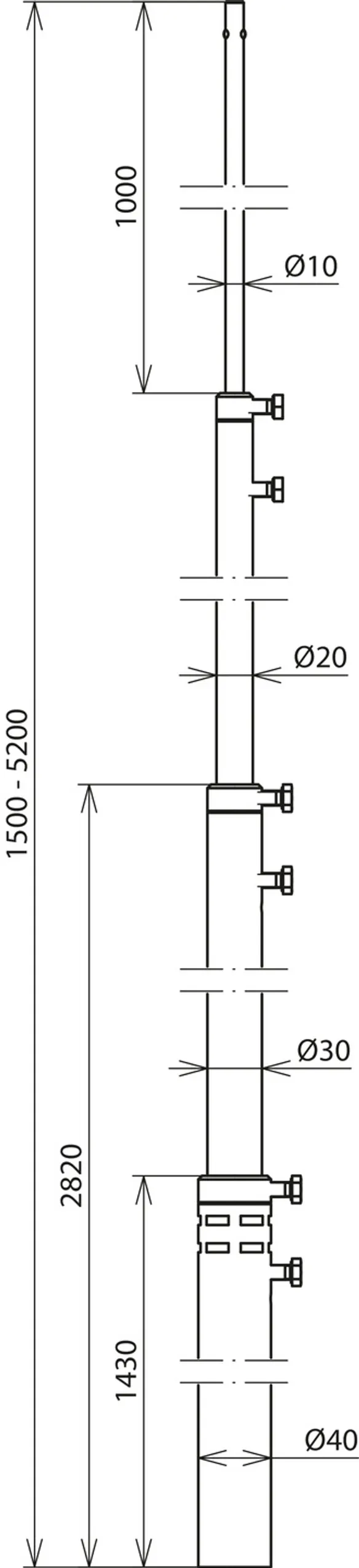
Hauteur 1,5-5,2 m

1 Product

Part No. 105185 FS T D40 1500 5200 AL

GTIN 4013364481411, Customs tariff No. (EU): 85389099, Gross weight: 4.40 kg, PU: 1.00 pièce(s)


Images

Additional information

Pointe de capture télescopique en aluminium
Diamètre 10 mm à 40 mm
Extensible de 1,5 m à 5,2 m
Comprenant 4 segments
Longueurs libres max. de la pointe de capture entre 3,7 m et 4,2 m
pour la fixation par ex. sur des murs ou
des constructions spéciales. Les pointes de capture sont dimensionnées selon
Eurocode 1 (DIN EN 1991-1-4 + DIN EN 1991-1-4/NA)
pour une vitesse de vent en rafales max. de
149 km/h à 190 km/h
selon la pointe de capture déployée
Pour la fixation par ex. sur un mur
avec la référence 105 342, et sur des tubes avec la référence 105 354
Longueur totale: 5200 mm
Longueur utile max. avec pointe de capture: 4200 mm
Longueur de serrage: 500 mm et 1 000 mm
Vitesse du vent en rafales max. (Pointe captrice Ø10 mm L 0 mm): 190 km/h
Vitesse du vent en rafales max. (Pointe captrice Ø10 mm L 500 mm): 173 km/h
Vitesse du vent en rafales max. (Pointe captrice Ø10 mm L 1000 mm): 149 km/h
Nombre de fixations: 2
Matériau, pointe de capture: Alu

produit : DEHN
Type: FS T D40 1500 5200 AL
Référence: 105185
ou équivalent

 

Technical data

Longueur totale 5200 mm
Pointe captrice (Ø Longueur) 10-1000 mm
mât de terminaison (Ø Longueur) 40/30/20-4200 mm
Longueur Transport 1650 mm
Éléments du mât 4
Ø Base du mât 40 mm
Longueur utile max. avec pointe de capture 4200 mm
Longueur de serrage 500 mm et 1 000 mm
Vitesse du vent en rafales max. (Pointe captrice Ø10 mm L 0 mm) 190 km/h
Vitesse du vent en rafales max. (Pointe captrice Ø10 mm L 500 mm) 173 km/h
Vitesse du vent en rafales max. (Pointe captrice Ø10 mm L 1000 mm) 149 km/h
Nombre de fixations 2
Matériau, pointe de capture Alu
Norme DIN EN 62561-(1+2)

Product 105185 was added to Notepad.

Product 105185 was added to the cart.


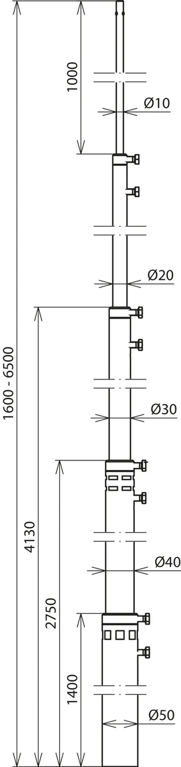
Hauteur 1,6-6,5 m

1 Product

Part No. 105186 FS T D50 1600 6500 AL

GTIN 4013364481435, Customs tariff No. (EU): 85389099, Gross weight: 6.39 kg, PU: 1.00 pièce(s)


Images

Additional information

Pointe de capture télescopique en aluminium
Diamètre de 10 mm à 50 mm
Extensible de 1,6 m à 6,5 m
Comprenant 5 segments
Longueurs libres max. de la pointe de capture entre 4,5 m et 5,2 m
pour la fixation par ex. sur des murs ou
des constructions spéciales. Les pointes de capture sont dimensionnées selon
Eurocode 1 (DIN EN 1991-1-4 + DIN EN 1991-1-4/NA)
pour une vitesse de vent en rafales max. de
149 km/h à 189 km/h
selon la pointe caprice déployée
Pour la fixation par ex. sur un mur
avec la référence 105 342, et sur des tubes avec la référence 105 354
Longueur totale: 6500 mm
Longueur utile max. avec pointe de capture: 5200 mm
Longueur de serrage: 1 000 mm et 1 300 mm
Vitesse du vent en rafales max. (Pointe captrice Ø10 mm L 0 mm): 189 km/h
Vitesse du vent en rafales max. (Pointe captrice Ø10 mm L 500 mm): 172 km/h
Vitesse du vent en rafales max. (Pointe captrice Ø10 mm L 1000 mm): 149 km/h
Nombre de fixations: 2-3
Matériau, pointe de capture: Alu

produit : DEHN
Type: FS T D50 1600 6500 AL
Référence: 105186
ou équivalent

 

Technical data

Longueur totale 6500 mm
Pointe captrice (Ø Longueur) 10-1000 mm
mât de terminaison (Ø Longueur) 50/40/30/20-5500 mm
Longueur Transport 1650 mm
Éléments du mât 5
Ø Base du mât 50 mm
Longueur utile max. avec pointe de capture 5200 mm
Longueur de serrage 1 000 mm et 1 300 mm
Vitesse du vent en rafales max. (Pointe captrice Ø10 mm L 0 mm) 189 km/h
Vitesse du vent en rafales max. (Pointe captrice Ø10 mm L 500 mm) 172 km/h
Vitesse du vent en rafales max. (Pointe captrice Ø10 mm L 1000 mm) 149 km/h
Nombre de fixations 2-3
Matériau, pointe de capture Alu
Norme DIN EN 62561-(1+2)

Product 105186 was added to Notepad.

Product 105186 was added to the cart.


Hauteur 1,8-8 m

1 Product

Part No. 105188 FS T D60 1800 8000 AL

GTIN 4013364481442, Customs tariff No. (EU): 85389099, Gross weight: 9.35 kg, PU: 1.00 pièce(s)


Images

Additional information

Pointe de capture télescopique en aluminium
Diamètre de 10 mm à 60 mm
Extensible de 1,8 m à 8,0 m
Comprenant 6 segments
avec réduction sur D50 mm
Longueurs libres max. de la tige de capture entre 5,3 m et 6,3 m
pour la fixation par ex. sur des murs ou
des constructions spéciales. Les tiges de capture sont dimensionnées selon
Eurocode 1 (DIN EN 1991-1-4 + DIN EN 1991-1-4/NA)
pour une vitesse de vent en rafales max. de
153 km/h à 176 km/h,
selon la pointe de capture déployée
Pour la fixation par ex. sur un mur
avec la référence 105 342, et sur des tubes avec la référence 105 354
Longueur totale: 8000 mm
Longueur utile max. avec pointe de capture: 6300 mm
Longueur de serrage: 1 700 mm
Vitesse du vent en rafales max. (Pointe captrice Ø10 mm L 0 mm): 176 km/h
Vitesse du vent en rafales max. (Pointe captrice Ø10 mm L 500 mm): 166 km/h
Vitesse du vent en rafales max. (Pointe captrice Ø10 mm L 1000 mm): 153 km/h
Nombre de fixations: 3
Matériau, pointe de capture: Alu

produit : DEHN
Type: FS T D60 1800 8000 AL
Référence: 105188
ou équivalent

 

Technical data

Longueur totale 8000 mm
Pointe captrice (Ø Longueur) 10-1000 mm
mât de terminaison (Ø Longueur) 50/60/50/40/30/20-7000 mm
Longueur Transport 1850 mm
Éléments du mât 6
Ø Base du mât 60 mm
Longueur utile max. avec pointe de capture 6300 mm
Longueur de serrage 1 700 mm
Vitesse du vent en rafales max. (Pointe captrice Ø10 mm L 0 mm) 176 km/h
Vitesse du vent en rafales max. (Pointe captrice Ø10 mm L 500 mm) 166 km/h
Vitesse du vent en rafales max. (Pointe captrice Ø10 mm L 1000 mm) 153 km/h
Nombre de fixations 3
Matériau, pointe de capture Alu
Norme DIN EN 62561-(1+2)

Product 105188 was added to Notepad.

Product 105188 was added to the cart.


back to top